onsemi NxJS3151P 단일 P-채널 전력 MOSFET
onsemi NxJS3151P단일 P-채널 전력 MOSFET은 효율적인 스위칭 애플리케이션을 위해 설계된 고성능 MOSFET입니다. 이 onsemi MOSFET은 2mm x 2mm의 소형 SC-88(SOT-363) 패키지에 들어 있으며, -4.5V에서 단 45mΩ의 낮은 RDS(on)을 제공하여 전도 손실을 줄이고 열 성능을 개선합니다. 최대 드레인 전류가-3.3 A이고 드레인 소스 전압 정격이-12 V인 NxJS3151P장치는 휴대용 및 배터리 구동 장치의 부하 전환에 매우 적합합니다. onsemi NxJS3151P단일 P 채널 전력 MOSFET은 초저 게이트 전하와 빠른 스위칭 특성으로 에너지 효율이 향상되어 전력 밀도와 신뢰성이 중요한 공간 제약적인 설계에 이상적입니다.특징
- 낮은 RDS(ON)으로 배터리 수명을 연장하는 선도적인 Trench 기술
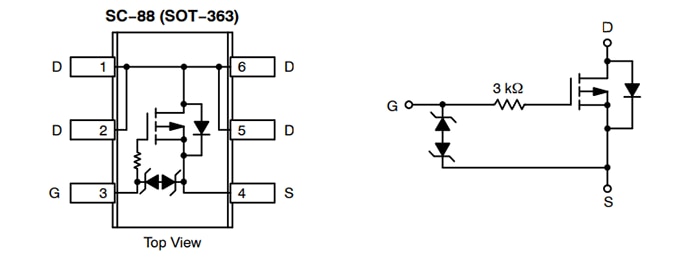
- SC-88 소형 아웃라인(2 mmx2 mmSC70-6 상당) 패키지
- ESD 보호용 게이트 다이오드
- 고유한 사이트 및 변경 제어가 필요한 자동차 및 기타 애플리케이션을 위한 NV 접두사; AEC-Q101인증 및 PPAP 가능
- 무연, 무할로겐/무BFR, RoHS 준수
애플리케이션
- 하이사이드 부하 스위치
- 휴대폰, 컴퓨터, 디지털 카메라, MP3 및 PDA
사양
- 오프 특성
- -12 V 최소 드레인-소스 항복 전압
- 10mV/°C 표준 드레인-소스 항복 전압 온도 계수
- 제로 게이트 전압 드레인 전류
- -1 0 µA에서 최대 +25 °C
- -2.5 µA에서 +125 °C(표준)
- 게이트-소스 누설 전류
- ±4.5VGS에서 최대 ±1.5µA
- ±12VGS에서 최대 ±10mA
- 온 특성
- -0.40V ~ -1.2V 게이트 임계 전압 범위
- 3.4mV/°C 표준 네거티브 임계 온도 계수
- 60mΩ ~ 160mΩ 최대 드레인-소스 온 저항 범위
- 15S 표준 순방향 트랜스컨덕턴스
- 충전 및 정전용량
- 850 pF의 입력 정전용량
- 170 pF 표준 출력 정전용량
- 110 pF 표준 역방향 전송 정전용량
- 8.6nC 표준 총 게이트 전하
- 1.3nC 표준 게이트-소스 전하
- 2.2nC 표준 게이트-드레인 전하
- 3 000 Ω 표준 게이트 저항
- 스위칭 특성
- 0.86µs 표준 턴온 지연 시간
- 1.5µs 표준 상승 시간
- 3.5µs 표준 턴오프 지연 시간
- 3.9µs 표준 하강 시간
- 45mΩ(-4.5V에서) ~ 133mΩ(-1.8V에서) 표준 RDS(on) 범위
- ±12 V 최대 게이트-소스 전압
- -2.7A ~ -3.3A 최대 연속 드레인 전류 범위
- 0.625 W최대 전력 손실
- 0.7V ~ -0.85V 표준 순방향 다이오드 전압 범위
- -0.8 A 최대 바디 다이오드 소스 전류
- 최대 열 저항
- 200°C/W 접합-주변정상 상태
- 141°C/W 접합-주변
- 102°C/W 접합-리드 정상 상태
- 온도
- -55 °C+150 °C 작동 접합 온도 범위
- +260 °C 최대 리드 납땜 온도
계통도
게시일: 2025-08-29
| 갱신일: 2025-09-04
