Vishay / Sfernice 40 LHE 선형 위치 센서
Vishay/Sferesh 40 LHE 선형 위치 센서는 까다로운 환경에서 정밀한 선형 변위 측정을 위해 설계된 소형의 고성능 장치입니다. 비접 촉식 홀 효과 기술을 활용하는 Vishay/Sferesh 40 LHE는 혹독한 조건에서도 긴 작동 수명과 함께 탁월한 내구성과 신뢰성을 제공합니다. 이 센서는 최대 40 mm의 스트로크 길이, 높은 선형성(±1 %) 및 반복성이 특징으로, 정확한 위치 피드백이 필요한 애플리케이션에 이상적입니다. 견고한 구조에는 IP67-rated 하우징이 포함되어 있어 먼지 및 물 침투로부터 보호합니다. 산업 자동화, 의료 장비, 항공우주 및 자동차 시스템에 흔히 사용되는 40 LHE 센서는 정밀 기기의 액추에이터 위치 모니터링, 로봇 제어 및 모션 추적과 같은 작업에 매우 적합합니다.특징
- ±1% 미만의 정확한 선형성
- 절대 위치
- 0 mm ~ 40 mm의 전기 스트로크
- 긴 수명, 10 M 이상 사이클
- 비접촉식 홀 효과 기술
- 혹독한 환경의 모든 애플리케이션 전용 모델
- 다용도의 “양면” 장착
- 옵션 스프링 반환
- 무연 및 RoHS 준수
애플리케이션
- 산업 자동화
- 액추에이터 및 로봇 암의 피드백 위치
- 자동화 기계에서 선형 모션 모니터링
- 의료 장비
- 진단 및 치료 기기에서의 동작을 정밀하게 제어
- 환자 침대 또는 영상 시스템에서 위치 감지
- 항공 우주 및 국방
- 제어 표면 위치 피드백
- 항공기 시스템의 액추에이터 위치 모니터링
- 자동차 전장
- 스로틀 또는 페달 위치 감지
- 서스펜션 및 스티어링 시스템 피드백
- 테스트 및 측정 시스템
- 보정 및 정밀 측정 설정
- 실험실 기기에서 선형 변위 추적
- 재생 에너지-태양광 패널 정렬 시스템에서 위치 추적
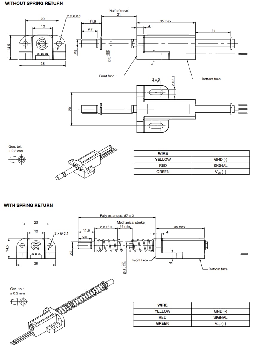
사양
- 35 mm x 14.5 mm x 28 mm 크기
- 최대 40 mm 전기 스트로크
- 독립적인 선형성
- 아날로그 출력 - ±1% (VMAX = 0.5 m/s에서 )/±2% (VMAX = 1 m/s에서)
- PWM 출력 - ±1% (VMAX = 0.4 m/s에서 )/±2% (VMAX = 0.8 m/s에서)
- 12μm 분해능(40 mm 스트로크)
- 5VDC ±10% 공급 전압
- 공급 전류: <16>16>
- 아날로그 비율 계측(10% ~ 90% VSUPPLY) 또는 PWM (1 kHz – 10% ~ 90% 듀티 사이클) 출력 신호
- + 20VDC 과전압 보호(입력)
- -10VDC 역 전압 보호(입력)
- + 10VDC 출력 과전압 보호(+ 14VDC 피크 - +25 °C에서 200 s)
- 아날로그 출력 및 PWM 출력을 위한 1 kΩ 최소 부하 저항
- VSUPPLY의 정적 히스테리시스: 0.1%
- <15 ms="" 시동="">15>
- 42 mm 최대 기계적 이동
- 슬리브 베어링 유형
- “2 면“ 장착(M3 나사 2 개의 경우 드릴 플랜지 - 2x2 구멍) + 축 끝에 M5(스레드 옵션만 해당)
- 0.2 N 최대 작동력(스프링 옵션-스트로크를 따라 보통 1.3 N ~ 7 N)
크기: mm
게시일: 2025-08-05
| 갱신일: 2025-08-22
