Toshiba TPH1400CQ5 실리콘 N-채널 MOSFET
Toshiba TPH1400CQ5 실리콘 N- 채널 MOSFET은 U-MOSX-H 세대 트렌치 프로세스로 설계된 8-핀 SMT 전력 MOSFET이 특징입니다. MOSFET은 빠른 36ns 역회복 시간과 27nC의 표준 역회복 전하를 포함하여 향상된 역회복 특성을 제공합니다. TPH1400CQ5 시리즈는 스위칭 전원장치에서 전력 손실을 줄여 동기식 정류 애플리케이션에서 효율을 높입니다. Toshiba TPH1400CQ5 실리콘 N-채널 MOSFET은 낮은 드레인 및 소스의 온-상태 저항과 낮은 정격 누설 전류를 제공하므로 다양한 전력 및 산업용 애플리케이션에 이상적입니다. 일반적으로 고효율 DC/DC 컨버터, 스위칭 전압 레귤레이터, 모터 드라이버, 데이터 센터 및 통신 베이스 시스템에 사용됩니다.특징
- 실리콘 N- 채널 극성
- u-mosx-h 생성
- 단일 내부 연결
- 8핀 SMT 패키지
- 빠른 역회복 시간
- 작은 역회복 전하
- 작은 게이트 전하
- 저드레인 및 소스의 온-상태 저항(RDSon)
- 낮은 누설 전류
- RoHS 모델 제공 가능
애플리케이션
- 고효율 DC/DC 컨버터
- 스위칭 전압 레귤레이터
- 모터 드라이버
사양
- 드레인-소스 정격 전압: 150V
- 게이트-소스 정격 전압: ±20V
- 드레인 정격 전류: 77A
- 정격 전력 손실: 170W
- 4.5V 최대 게이트 임계 전압
- 드레인 및 소스의 온-상태 저항 범위: 14.1mΩ~17.3mΩ
- 3,800 pF 최대 입력 정전 용량
- 8.5nC 표준 게이트 전하
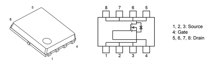
내부 회로도
크기(mm)
게시일: 2024-07-19
| 갱신일: 2024-09-10
