Toshiba TLX9165T AEC-Q101 광커플러/광계전기
Toshiba TLX9165T AEC-Q101 인증 광커플러/광계전기는 고신뢰성 자동차 및 산업용 애플리케이션을 위해 설계되었습니다. Toshiba TLX9165T는 MOSFET 출력단과 광학적으로 결합된 고출력 적외선 LED가 특징으로, 340Ω(표준)의 낮은 온저항과 30mA의 최대 부하전류로 솔리드 스테이트 스위칭을 가능하게 합니다. 소형 10 개 핀 SO16L-T 패키지에 들어 있는 TLX9165T는 5,000VRMS 절연 전압을 제공하며 -40~+125°C의 넓은 온도 범위에서 작동합니다. 낮은 입력 전류 요구량과 높은 공통 모드 과도 현상 내성은 전기적으로 잡음이 많은 환경에서 성능을 향상시켜주므로 공간, 효율성 및 신뢰도 중요한 BMS(배터리 관리 시스템) 및 전기차 충전 인프라에 사용하기에 이상적입니다.특징
- AEC-Q101 인증
- 정상 개방(1-Form-A)
- 1,800V(최소) 피크 오프 상태 전압
- 3 mA 최대 트리거 LED 전류
- 30mA(최대) 온 상태 전류
- 340Ω(최대) 온 상태 저항(t<>
- 5,000VRMS(최소) 절연 전압
- 8mm(최소) 연면거리/공간거리
- 0.4mm(최소) 절연 두께
- CTI: 600 초과 외부 수지
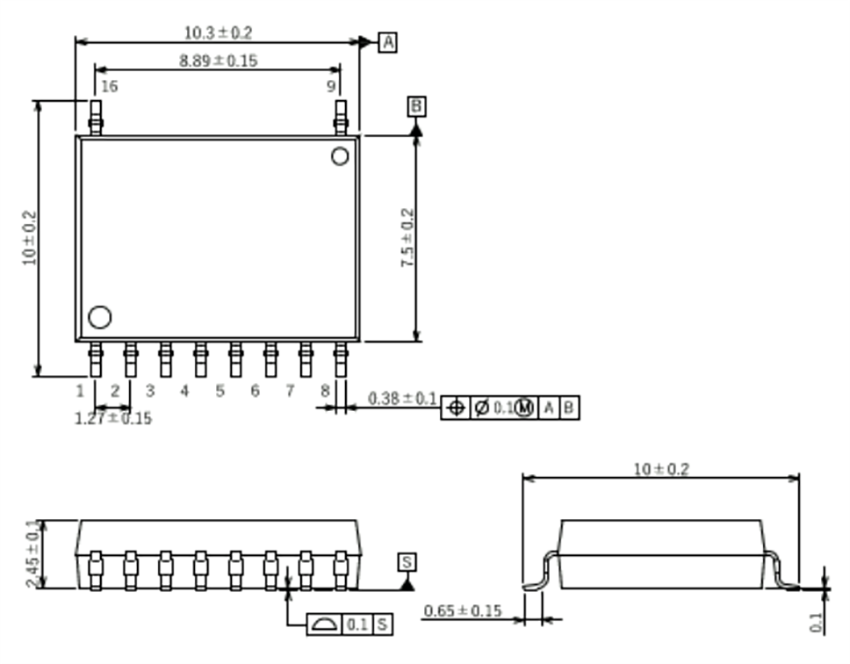
- 10핀, SO16L-T 표면 실장 패키지, 10.3mmx10mmx2.45mm
애플리케이션
- 자동차 장비에서 배터리 제어
- 자동차 장비에서 연료 배터리 제어
- EV(전기자동차)
사양
- 권장 작동 조건
- 최대 공급 전압 1 500 V
- 5~20mA 입력 순방향 전류
- 30mA(최대) 온 상태 전류
- LED
- 30mA(최대) 입력 순방향 전류
- -0.8mA/°C(최대) 입력 순방향 전류 경감
- 5V(최대) 입력 역전압
- 50mW(최대) 입력 전력 손실
- -1.3mW/°C(최대) 입력 전력 손실 경감
- 5,000VRMS(최대) 절연 전압
- 감지기
- 6~30mA(최대) 온 상태 전류 범위
- -0.3mA/°C(최대) 온 상태 전류 경감
- 18~90mA(최대) 피크 온 상태 전류 범위
- 0.6mA(최대) 애버랜치 전류
- 600mW(최대) 출력 전력 손실
- -7mW/°C(최대) 출력 전력 손실 감소
- 절연
- 0.9pF(표준) 총 정전용량(입력-출력)
- 1014Ω(표준) 절연 저항
- 전기적
- LED
- 1.4~1.95V 입력 순방향 전압
- 최대 입력 역전류: 10 µA
- 45 pF의 입력 정전용량
- 감지기
- 1,800V(최소) 출력 내전압
- 0.1~10µA 오프 상태 전류 범위
- 140pF(표준) 출력 정전용량
- LED
- 결합된 전기
- 3 mA 최대 트리거 LED 전류
- 0.05mA(최소) 리턴 LED 전류
- 340~680Ω(최대) 온 상태 저항 범위
- 1ms(최대) 턴온/오프 시간
- 온도
- +135°C(최대) 접합부 온도
- 작동 범위: -40 °C~+125 °C
- +260°C(최대) LED 납땜 온도
패키징 및 핀 할당
내부 회로
스위칭 타임 테스트 회로 및 파형
크기: mm
게시일: 2025-07-29
| 갱신일: 2025-08-08
