Toshiba TLX9161T AEC-Q101 광커플러/광계전기
Toshiba TLX9161T AEC-Q101 인증 광커플러/광계전기는 고신뢰성 및 전기적 절연이 요구되는 자동차 및 산업용 애플리케이션용으로 설계되었습니다. 소형 SO12L-T 패키지에 들어 있는 Toshiba TLX9161T는 고출력 적외선 LED와 MOSFET 출력단을 통합하여 낮은 온 상태 저항과 높은 절연 전압(5,000VRMS)으로 무접점 스위칭을 가능하게 합니다. 낮은 입력 구동 전류(최대 3mA)와 높은 CMTI(공통 모드 과도 현상 내성)은 소음이 심한 환경에서 성능을 향상시키며, 자동차 표준을 준수하여 열악한 조건에서도 장기적인 내구성과 안전성을 보장합니다. 이 장치는 BMS(배터리 관리 시스템) 및 EV 충전 회로에서 신호 또는 저전력 부하를 스위칭하는 데 이상적입니다.특징
- AEC-Q101 인증
- 정상 개방(1-Form-A)
- 1,500V(최소) 피크 오프 상태 전압
- 3 mA 최대 트리거 LED 전류
- 30mA(최대) 온 상태 전류
- 500Ω(최대) 온 상태 저항(t<>
- 5,000VRMS(최소) 절연 전압
- 8mm(최소) 연면거리/공간거리
- 0.4mm(최소) 절연 두께
- CTI: 600 초과 외부 수지
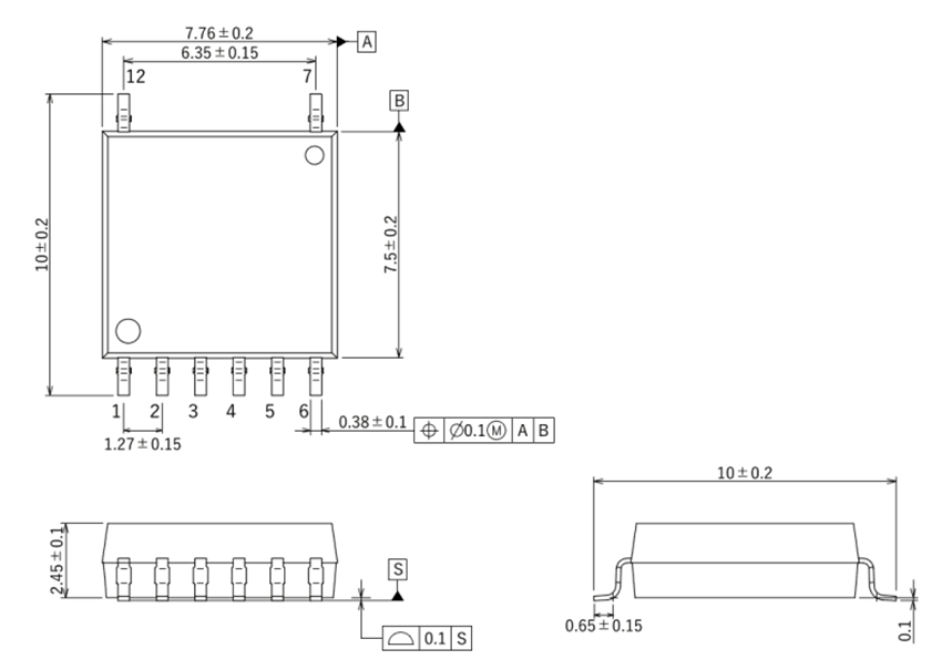
- SO12L-T 표면 실장 패키지, 7.76mmx10mmx2.45mm
애플리케이션
- 자동차 장비에서 배터리 제어
- 자동차 장비에서 연료 배터리 제어
- EV(전기자동차)
사양
- 권장 작동 조건
- 최대 공급 전압 1 000 V
- 5~20mA 입력 순방향 전류
- 30mA(최대) 온 상태 전류
- LED
- 30mA(최대) 입력 순방향 전류
- -0.8mA/°C(최대) 입력 순방향 전류 경감
- 5V(최대) 입력 역전압
- 50mW(최대) 입력 전력 손실
- -1.3mW/°C(최대) 입력 전력 손실 경감
- 5,000VRMS(최대) 절연 전압
- 감지기
- 6~30mA(최대) 온 상태 전류 범위
- -0.3mA/°C(최대) 온 상태 전류 경감
- 18~90mA(최대) 피크 온 상태 전류 범위
- 0.6mA(최대) 애버랜치 전류
- 600mW(최대) 출력 전력 손실
- -7mW/°C(최대) 출력 전력 손실 감소
- 전기적
- LED
- 1.4~1.95V 입력 순방향 전압
- 최대 입력 역전류: 10 µA
- 45 pF의 입력 정전용량
- 감지기
- 1,500V(최소) 출력 내전압
- 100~5,000nA 오프 상태 전류 범위
- 60pF(표준) 출력 정전용량
- LED
- 결합된 전기
- 3 mA 최대 트리거 LED 전류
- 0.05mA(최소) 리턴 LED 전류
- 500~800Ω(최대) 온 상태 저항 범위
- 절연
- 0.9pF(표준) 총 정전용량(입력-출력)
- 1014Ω(표준) 절연 저항
- 스위칭
- 1ms(최대) 턴-온 시간, 0.1ms(표준)
- 1ms(최대) 턴-오프 시간, 0.07ms(표준)
- 온도
- +135°C(최대) 접합부 온도
- 작동 범위: -40 °C~+125 °C
- +260°C(최대) LED 납땜 온도
패키징 및 핀 할당
내부 회로
스위칭 타임 테스트 회로 및 파형
크기: mm
게시일: 2025-07-29
| 갱신일: 2025-08-08
