Toshiba TB9103FTG 게이트 드라이버 IC
Toshiba TB9103FTG 게이트 드라이버 IC는 자동차 애플리케이션을 위한 단일 채널 H-브리지 게이트 드라이버와 2채널 하프 브리지 게이트 드라이버입니다. 이 Toshiba 게이트 드라이버는 충전 펌프 회로를 통합하고 N-type 외부 MOSFET을 사용합니다. 이 기능은 모터를 켜고 끄는 데 집중하도록 간소화되어 크기가 작아졌습니다. TB9103FTG는 슬라이딩 도어 및 백 도어를 포함한 래칭 모터 드라이브 애플리케이션에 적합합니다. 이 IC는 또한 윈도우, 미러, 시트용 모터 드라이브 애플리케이션에 이상적입니다.특징
- 하프 브리지 및 H-브리지 제어 모드 제공
- 2채널 독립 하프 브리지로 사용 가능 - 각 채널에 대한 불감 시간 제어(Vgs 모니터링) 및 차단 제어
- H-브리지를 결합하여 H-브리지로 사용 가능 - H-브리지로서의 불감 시간 제어 및 차단 제어
- 저전력 절전 모드
- 다양한 결함 감지 기능 제공
- VB 저전압 감지, VCC 저전압 감지, VCP 과전압 부스트 감지
- 게이트-소스 전압 감지, 게이트 전압 결함 차단
- 드레인-소스 전압 감지(감지 레벨 설정 가능), 과전류 차단
- 과열 감지, 차단
- 결함이 감지되면 오픈 드레인 출력 핀에서 알림
- 작동 전압 범위
- 7~18V(VB)
- 4.5~5.5V(VCC)
- 40 V 입력 전압
- 로직 레벨 게이트 FET를 구동할 수 있는 내장형 2배 부스트 차지 펌프 회로
- AEC-Q100 등급 1 인증
- 4mm2 VQFN24 패키지
애플리케이션
- 파워 백도어
- 파워 슬라이드 도어
- 전원 윈도우
- 전동 시트
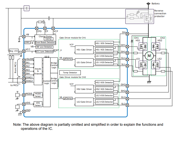
단순 블록 선도
DC 모터 제어 회로
비디오
게시일: 2025-03-18
| 갱신일: 2025-09-16
