Texas Instruments TUSB8043 SuperSpeed USB 3.1 허브
업스트림 포트에 동시 SuperSpeed USB 및 고속/전속 연결 성능을 제공하는 Texas Instruments TUSB8043 SuperSpeed USB 3.1 허브입니다. 이 장치는 다운스트림 포트에도 SuperSpeed USB, 고속, 전속 또는 저속 연결 성능을 제공합니다. 업스트림 포트가 고속 또는 전속/저속 연결만 지원하는 전기 환경에 연결되면 다운스트림 포트에서 SuperSpeed USB 연결이 비활성화됩니다. 업스트림 포트가 고속 또는 전속/저속 연결만 지원하는 전기 환경에 연결되면 다운스트림 포트에서 SuperSpeed USB 및 고속 연결이 비활성화됩니다.TUSB8043는 포트 별 또는 통합 전원 스위칭 및 과전류 보호 기능을 지원하며 배터리 충전 애플리케이션을 지원합니다. 개별 포트 전원 제어 허브는 USB 호스트의 요청에 따라 각 다운스트림 포트의 전원을 켜거나 끕니다. 또한 개별 포트 전원 제어 허브가 과전류 이벤트를 감지하면 영향을 받은 다운스트림 포트의 전원만 꺼집니다. 연결된 허브는 모든 포트의 전원을 켜야 할 때 모든 다운스트림 포트의 전원을 켭니다. 다운스트림 포트의 전원은 모든 포트가 전원이 제거 될 수 있는 상태에 있지 않으면 꺼지지 않습니다. 또한 연결된 허브가 과전류 이벤트를 감지하면 모든 다운스트림 포트의 전원이 꺼집니다.
특징
- 4 포트 USB 3.1 Gen1 허브
- USB 2.0 허브 특징
- MTT(다중 트랜잭션 변환기) 허브: 4개의 트랜잭션 변환기
- 트랜잭션 변환기당 두 개의 비동기 엔드포인트 버퍼
- 배터리 충전 지원
- 업스트림 포트가 연결되지 않았거나 구성되지 않은 경우 D+/D- 분배기 충전 포트(ACP1, ACP2 및 ACP3) 지원
- 업스트림 포트가 연결되지 않은 경우 DCP 또는 ACP 모드 간 전환 자동 모드 지원
- 갤럭시 충전 지원
- CDP 모드(업스트림 포트 연결)
- DCP 모드(업스트림 포트 분리)
- 중국 통신 산업 표준 YD/T 1591-2009에 부합하는 DCP 모드
- USB 3.1 Gen1 또는 USB 2.0 복합 장치로 작동 지원
- 포트당 또는 강압 전원 스위칭 및 과전류 알림 입력
- 4개의 외부 다운 스트림 포트 및 USB HID용 내부 USB 2.0 전용 포트에 I2C 기능 지원
- USB HID를 통해 I2C를 제어하기 위한 내부 다운스트림 포트가 고속 풀 스피드 작동을 지원함 다운스트림 포트 속도는 업스트림 포트 속도와 일치함
- 협력업체 요청을 지원하여 100k 및 400k(기본값)에서 I2C와 EEPROM을 읽고 쓰는 기능 제공
- I2C 마스터가 클록 스트레칭 지원
- 구성을 사용자 정의하기 위한 OTP ROM, 직렬 EEPROM 또는 I2C/SMBus 슬레이브 인터페이스
- VID 및 PID
- 포트 사용자 지정
- 제조업체 및 제품 스트링(OTP ROM이 제공하지 않음)
- 일련 번호(OTP ROM이 제공하지 않음)
- 핀 선택 또는 EEPROM 또는 I2C/SMBus 슬레이브 인터페이스를 사용하여 애플리케이션 기능 선택
- 128비트 UUID(Universally Unique Identifier) 제공
- USB 2.0 업스트림 포트를 통한 온보드 및 인시스템 EEPROM 프로그래밍 지원
- 단일 클록 입력, 24MHz 크리스털 또는 발진기
- USB2.0으로만 구성 가능한 다운스트림 포트
- 64핀 QFN 패키지(RGC)
애플리케이션
- 컴퓨터 시스템
- 도킹 스테이션
- 모니터
- 셋톱 박스
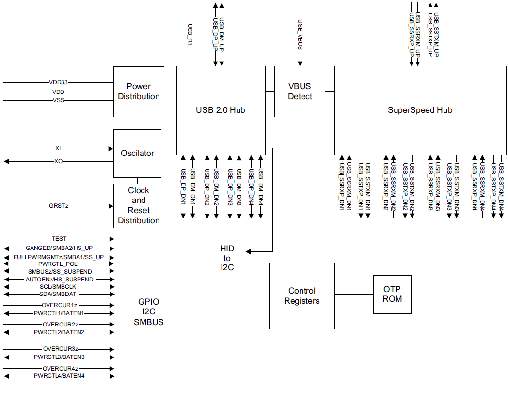
기능 블록 선도
게시일: 2018-05-09
| 갱신일: 2022-12-30
