이 장치의 1mA 대기 전류는 종료 시 1µA 미만으로 떨어집니다. 대기 전류는 다른 많은 레귤레이터 처럼 드롭아웃이 증가하지 않기 때문에 TPS73801에서 잘 제어됩니다. TPS73801 레귤레이터는 빠른 과도 응답 외에도 매우 낮은 출력 노이즈를 제공하여 민감한 RF 공급 애플리케이션에 이상적입니다.
TI TPS73801 레귤레이터는 10µF의 낮은 출력 커패시터와 1.21~20V 출력 전압 범위로 안정적입니다. 대부분의 레귤레이터와 달리 소형 세라믹 커패시터는 ESR을 추가할 필요 없이 사용할 수 있습니다.
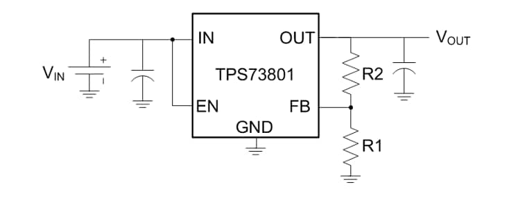
내부 보호 회로에는 역 배터리 보호, 전류 제한, 열 제한 및 역전류 보호 기능이 포함되어 있습니다. TPS73801는 1.21V 기준 전압 설정하여 조정 가능한 장치로 제공됩니다. TPS73801 레귤레이터는 6핀 TO-223(DCQ) 패키지로 설계되었습니다.
특징
- 빠른 과도 응답에 최적화
- 출력 전류: 1 0 A
- 드롭아웃 전압: 300 mV
- 45µVRMS 낮은 노이즈(10Hz~100kHz)
- 대기 전류: 1 mA
- 보호 다이오드가 필요하지 않음
- 드롭아웃에서 대기 전류 제어
- 1.21~20V 조정 가능한 출력 전압
- 셧다운 시 1µA 미만의 대기 전류
- 10 µF 출력 커패시터를 사용하여 안정화
- 세라믹 커패시터를 사용하여 안정화
- 역방향 배터리 보호
- 역전류 없음
- 발열 제한
애플리케이션
- 3.3~2.5V 로직 전원 공급 장치
- 전원 공급 장치 전환을 위한 포스트 레귤레이터
- 휴대용/배터리 구동 장비
비디오
단순화된 회로도
기능 블록 선도
게시일: 2024-12-10
| 갱신일: 2025-01-22

