Texas Instruments TPS723x LDO(로우 드롭아웃) 선형 레귤레이터
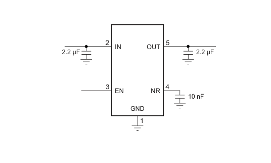
Texas Instruments TPS723x LDO(로우 드롭아웃) 선형 레귤레이터는 저잡음 애플리케이션을 지원하기 위한 이상적인 기능 조합을 제공합니다. TPS723x LDO는 -10 V~-2.7 V의 입력 전압으로 작동할 수 있으며 -10 V~-1.2 V의 출력을 지원합니다. LDO는 소형 보급형 세라믹 커패시터로 안정적이며 EN(인에이블) 및 NR(잡음 감소) 기능을 포함합니다. 이 장치는 내부 감지 및 셧다운 논리에 의해 제공되는 열 단락 및 과전류와 같은 보호 기능을 제공합니다. 높은 PSRR(1 kHz에서 65 dB) 및 저잡음(60µVRMS) 덕분에 Texas Instruments TPS723x는 저잡음 애플리케이션에 이상적입니다.특징
- 60 µVRMS (표준) 초저 잡음
- 65 dB(표준) 높은 PSRR(1 kHz)
- 280 mV(표준) LDO 전압(200 mA, 2.5 V)
- –2.5V 및 조절 가능 버전(–1.2~–10V)
- 2.2μF 세라믹 출력 커패시터로 안정적
- 셧다운 모드에서 2µA 미만의 표준 대기 전류
- 전체 정확도(부하, 라인 및 온도): 2%
- 과열 및 과전류 보호
- 패키지
- SOT23-5(DBV)
- SOT23-5(DDC)
- WSON-6(DRV)
- -40 °C~125 °C 작동 접합 온도 범위
애플리케이션
- 광학 모듈
- 반도체 제조
- 의료용 액세서리
- 오실로스코프
- AAS(액티브 안테나 시스템) mMIMO
기능 선도
게시일: 2020-01-24
| 갱신일: 2024-05-14
