Texas Instruments TPS650861 프로그래밍 가능한 멀티 레일 PMIC
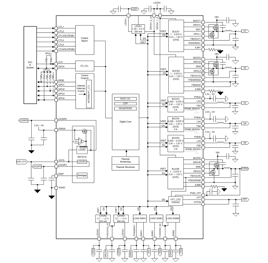
Texas Instruments의 TPS650861 구성 가능 다중 레일 PMIC는 MPSoC 및 FPGA 용으로 설계되어 프로그래밍 가능한 최적의 출력 전압 및 시퀀싱을 제공합니다. 고출력 설계 장치용 대형 외장 FET를 사용하여 최대 30A까지 유연한 전력을 제공하는 컨트롤러 3개를 갖췄습니다. 또한 컨트롤러를 사용하면 크기가 작고 비용이 적게 드는 회로를 설계할 수 있습니다. 이 장치는 변환기, LDO 및 스위치가 결합되어 다양한 애플리케이션에 시스템 전력을 제공합니다. 소형 수동 소자를 사용하면 D-CAP2™ 및 DCS-Control 고주파 전압 조정기가 작은 크기로 솔루션을 제공할 수 있습니다. 탁월한 과도 응답 성능과 함께 D-CAP2™ 및 DCS-Control 토폴로지는 부하 스위칭이 빠른 프로세서 코어 및 시스템 메모리 레일에 이상적입니다.특징
- 기본 전압 및 시퀀스를 프로그래밍하기 위한 1회성 프로그래밍 가능 메모리 뱅크 2개
- 폭넓은 VIN 범위: 5.6~21V
- 가변 출력 전압 동기화 3회
- D-CAP2™ 토폴로지를 사용하는 강압 컨트롤러
- 선택형 전류 제한 장치와 함께 외부 FET를 사용하여 확장 가능한 출력 전류
- 0.41~1.67V(10mV씩 조절) 또는 1~3.575V(25mV씩 조절) I2C DVS 제어 또는 5V 고정 출력
- DCS-Control 기술이 적용된 3개의 가변 출력 전압 동기식 강압 변환기
- VIN 범위: 3V~5.5V
- 출력 전류: 최대 3A
- I2C DVS 제어: 0.425~3.575V(25mV 씩 조절)
- 출력 전압을 조절 가능한 LDO 조정기 3개
- LDOA1: 최대 200mA 출력 전류에 대해 1.35~3.5V 범위의 I2C 선택 가능 전압
- LDOA2 및 LDOA3: 최대 600mA 개별 출력 전류에 대해 0.7~1.5V 범위의 I2C 선택 가능 전압
- DDR 메모리 종단을 위한 VTT LDO
- 슬루율 제어 기능이 적용된 부하 스위치 3개
- 최대 300mA 출력 전류, 전압 강하는 공칭 입력 전압의 1.5% 미만
- 1.8V 입력 전압에서 RDSON 96mΩ 미만
- 5V 고정 출력 전압 LDO(LDO5)
- SMPS 게이트 드라이브 및 LDOA1용 전원 장치
- 효율 향상을 위해 외부 5V 강압으로 자동 전환
- 자체 유연성 및 OTP 프로그래밍을 통한 구성 가능성
- GPI 핀 6개는 선택한 모든 레일에 대해 활성(CTL1~CTL6) 또는 절전 모드(CTL3 및 CTL6) 입력으로 구성 가능
- 선택한 모든 레일에 양호한 전력 공급을 하기 위한 GPO 핀 구성 가능
- 오픈 드레인 인터럽트 출력 핀
- 표준 모드(100kHz), 고속 모드(400kHz) 및 고속 모드 플러스(1MHz)를 지원하는 I2C
애플리케이션
- 프로그래밍 가능한 논리 컨트롤러
- 장비 비전 카메라
- 비디오 감시
- 시험 및 측정 분야
- 임베디드 PC
- 모션 제어
블록 선도
게시일: 2018-08-24
| 갱신일: 2023-04-03
