Texas Instruments TPS562211 2A 동기식 벅 변환기
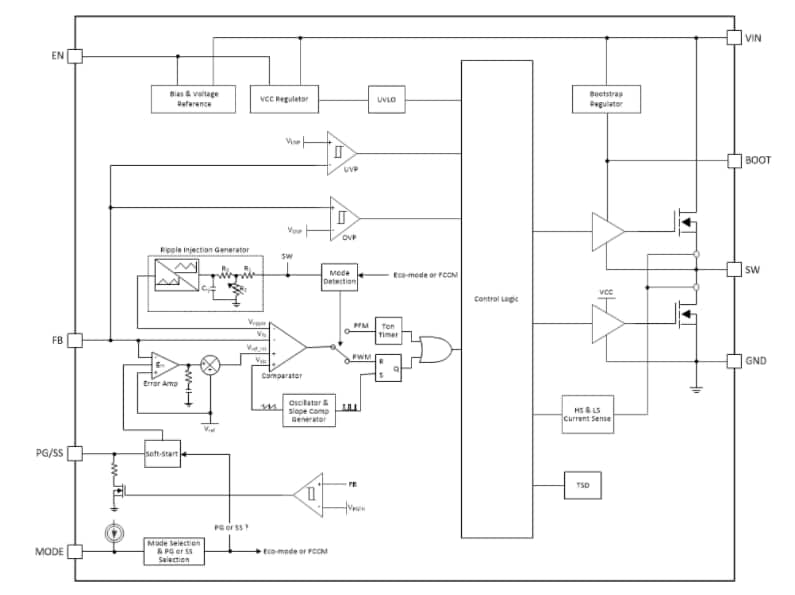
Texas Instruments TPS562211 2A 동기식 벅 변환기는 SOT583 패키지로 제공되는 유연하고 비용 효율적인 솔루션입니다. TPS562211 변환기는 선택 가능한 에코 모드 작동 또는 FCCM(강제 연속 전도 모드) 작동이 특징 입니다. 또한 선택 가능한 전력 양호 표시기 또는 외부 소프트 스타트도 MODE 핀을 통해 구성할 수 있습니다. TPS562211은 인에이블, 전력 양호 표시기 또는 외부 소프트 스타트를 정확하게 구성하여 전력 시퀀싱을 수행할 수 있습니다. 4.2~18V의 넓은 입력 전압 범위는 12V 및 15V와 같은 다양한 공통 입력 레일을 지원합니다. 이 장치는 0.6~7V의 출력 전압에서 최대 2A의 연속 출력 전류를 지원합니다.TI TPS562211 2A 동기식 벅 변환기는 AECM(고급 에뮬레이션 전류 모드) 제어 토폴로지를 사용하여 진정한 고정 스위칭 주파수로 빠른 과도 응답을 구현합니다. 내부 스마트 루프 대역폭 제어를 용이하게하는 TPS562211은 외부 보상이 없이 넓은 출력 전압 범위에서 빠른 과도 응답을 제공합니다.
하이 측 피크 전류의 사이클-바이-사이클 전류 제한 기능이 과부하 상황에서 변환기를 보호합니다. 이 기능은 전류 폭주를 방지하는 로우 측 밸리 전류 제한에 의해 향상됩니다. 히컵 모드는 OVP(과전압 보호), UVP(부족 전압 보호), UVLO 보호 및 열 차단 상태에서 트리거됩니다.
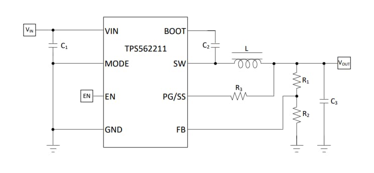
TPS562211 2A 동기식 벅 변환기는 1.6mm × 2.1mm SOT583 패키지로 제공됩니다.
특징
- 4.2~18V 입력 전압
- 0.6~7V 출력 전압
- 최대 2A의 연속 출력 전류
- 45ns 최소 스위칭 온 시간
- 98% 최대 듀티 사이클
- 고효율
- 통합형 66mΩ 및 33mΩ MOSFET
- 120uA(표준) 대기 전류
- 매우 유연하고 사용하기 쉬움
- 선택 가능한 에코 모드 또는 FCCM 작동
- 선택 가능한 전력 양호 표시기 또는 외부 소프트 스타트
- 정밀 인에이블 입력
- 높은 정확도
- ±1%(25°C) 기준 전압 정확도
- ±8.5% 스위칭 주파수 허용 오차
- 작은 솔루션 크기
- 사용 용이성을 위한 내부 보상
- SOT583 패키지
- 최소 외부 구성 요소 수
- 하이 측 및 로우 측 MOSFET 모두를 위한 사이클 단위 전류 제한
- 비래치형 OVP, UVLO 및 TSD 보호
- WEBENCH® Power Designer와 함께 TPS562211를 사용하여 맞춤형 설계 장치 만들기
애플리케이션
- STB(디지털 셋톱박스), 디지털 TV
- 스마트 스피커
- 유선 네트워킹, 광대역
- 감시
기능 블록 선도
개략도
게시일: 2021-09-27
| 갱신일: 2022-03-11
