Texas Instruments TPS2662 산업용 eFuses
Texas Instruments TPS2662 60V 800mA 산업용 eFuses는 역극성 보호 기능을 통합하여 완벽한 보호 기능을 제공합니다. 이 장치는 4.5~57V의 넓은 전원 입력 범위를 제공하므로 다양한 DC 버스 전압을 제어할 수 있습니다. TPS2662는 최대 ±60V의 양 및 음의 공급 전압을 보호하고 견딜 수 있습니다. 역전류 차단 기능은 집적 백-투-백 FET에 의해 제공되어 정전 및 부분 정전 상태 동안 출력 전압이 요구되는 시스템에 적합합니다. 부하, 소스 및 장치 보호 모드를 비롯한 다양한 보호 모드는 많은 조절 가능한 특징을 표시합니다. 이러한 특징에는 과전류, 출력 슬루율 및 과전압, 저전압 임계값이 포함됩니다. TPS2662 efuses는 -40~+125°C의 특정한 온도 범위에서 작동합니다.특징
- 4.5~57V 작동 전압, 60V 절대 최대
- 최대 –60V로 집적 역입력 극성 보호 가능
- -(60VIN)으로 역출력 보호 기능 통합(TPS26624 및 TPS26625만 해당)
- 집적 백-투-백 MOSFET(총 478mΩ RON 제공)
- 25~880mA 조절 가능 전류 제한(880mA에서 ±5% 정확도)
- 고속 역전류 차단 응답(0.3μs)
- 외부 구성 요소를 최소화한 상태에서 서지(IEC 61000-4-5) 동안 부하 보호
- IEC 61000-4-4에 따른 전기 고속 과도 내성
- 조절 가능 UVLO, OVP 컷 오프, 돌입 전류 제한을 위한 출력 슬루율 컨트롤
- 전압 클램프에 고정 38V 제공(TPS26622 및 TPS26623만 해당)
- 낮은 과도 전류, 작동 시 340µA, 차단 시 12µA
- 작은 설치 공간 - 10L(3mm x 3mm) VSON
- UL 2367 인증 대기 중
애플리케이션
- PLC I/O 모듈
- AC 및 서보 드라이브
- 센서 및 제어 장치
- 자동 온도 조절 장치
- PoE 하이 측 보호
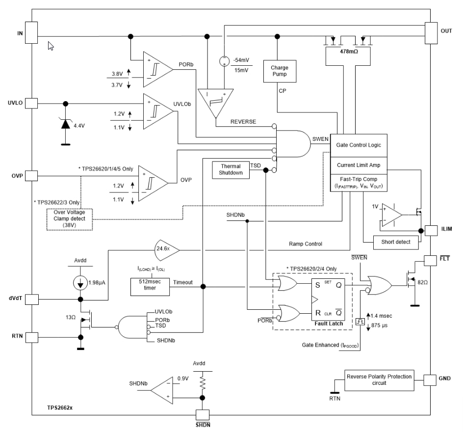
블록 선도
게시일: 2018-08-24
| 갱신일: 2024-07-09
