인에이블 핀은 내부 FET를 활성화 및 비활성화하기 위한 외부 제어 기능을 제공합니다. 셧다운 핀을 사용하여 장치를 저전력 셧다운 모드로 전환할 수 있습니다. 시스템 상태 모니터링 및 다운스트림 부하 컨트롤용으로 사용하는 이 장치는 오류 및 정밀 전류 모니터 출력을 제공합니다. MODE 핀을 사용하여 두 전류 제한 장애 응답(래치 오프 및 자동 재시도) 사이에서 장치를 유연하게 구성할 수 있습니다.
Texas Instruments TPS16530은 20핀 HTSSOP 및 24핀 VQFN 패키지로 제공되며 -40~+125°C 온도 범위로 지정되어 있습니다.
특징
- 4.5~58V 작동 전압, 67V 절대 최대 전압
- 통합 58V, 31mΩ RON 핫 스왑 FET
- 0.6~4.5A의 조절 가능 전류 제한(±7%)
- 56V 작동을 위한 IPC9592B 간극(20핀 HTSSOP)
- 부하 과도 전류를 위한 2배 펄스 전류 지원
- 낮은 대기 전류, 셧다운 모드에서 21µA
- ±2%의 정확도로 UVLO 차단 조절 가능
- 돌입 전류 제한을 위한 조절 가능한 출력 슬루율 제어
- 장치 전원을 켜는 동안 온도 조절을 통해 크고 알 수 없는 용량성 부하 충전
- 전력 양호 출력(PGOOD)
- 자동 재시도와 래치 오프(모드) 사이에서 과전류 장애 응답 옵션 선택 가능
- 아날로그 전류 모니터(IMON) 출력(±6%)
- 사용하기 쉬운 20핀 HTSSOP 및 24핀 VQFN 패키지로 제공
애플리케이션
- 전기통신 무선 장치에서 전력 증폭기 보호
- 의료 장비
- 화재 경보 제어 패널
- 산업용 프린터
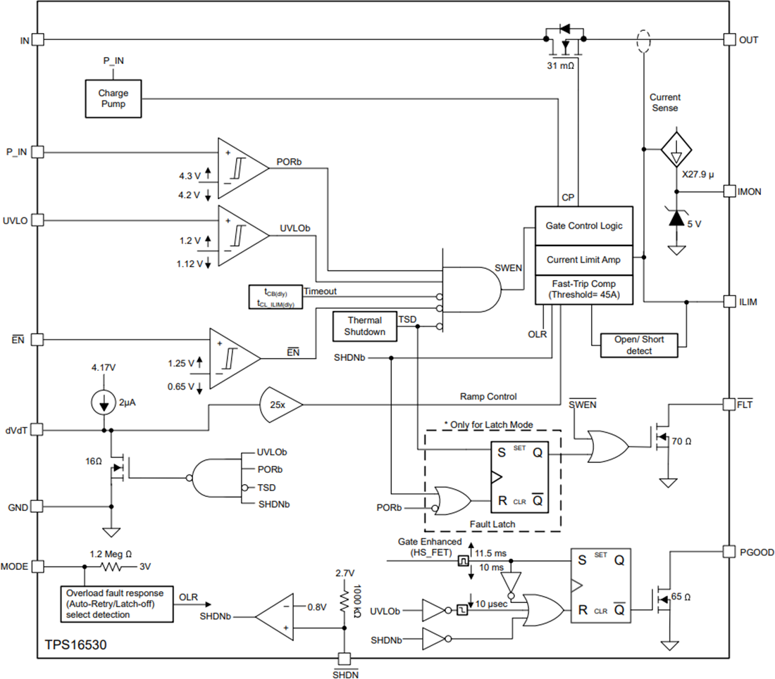
기능 블록 선도
게시일: 2021-09-01
| 갱신일: 2022-03-11

