Texas Instruments TMUXHS4412EVM 평가 모듈

사용자는 Texas Instruments TMUXHS4412EVM 평가 모듈을 통해 USB 3.x Gen 1/2 데이터 전송 속도를 지원하는 USB Type-C™ mux 또는 demux 애플리케이션을 위한 고속 양방향 수동 스위칭을 평가할 수 있습니다. TI TMUXHS4412EVM 평가 모듈은 MIPI® DSI/CSI, LVDS 및 PCI Express® Gen 1/2/3/4 인터페이스 표준과도 호환됩니다.

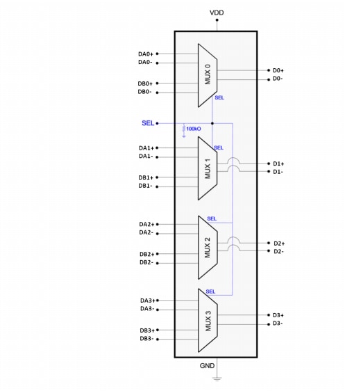
TMUXHS4412는 4 채널 고속 멀티/디멀티플렉서 스위치로서 차동 진폭이 1,800mVpp 미만이고 공통 모드 전압이 2V 미만인 고속 인터페이스와 호환됩니다.

블록 선도

블록 선도 - Texas Instruments TMUXHS4412EVM 평가 모듈

레이아웃

애플리케이션 회로도 - Texas Instruments TMUXHS4412EVM 평가 모듈
게시일: 2021-01-05 | 갱신일: 2022-03-11