Texas Instruments TDP1204 레벨 시프터 하이브리드 리드라이버
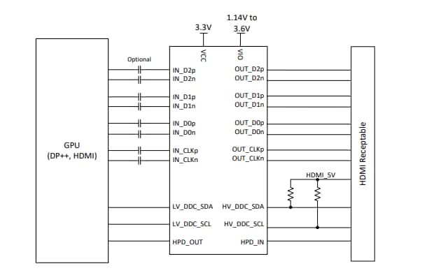
Texas Instruments TDP1204 DC/AC 결합-HDMI™ 2.1 레벨 시프터 리드라이버 공급 데이터 전송 속도는 최대 12Gbps이며 HDMI 1.4b 및 HDMI 2.0b와 역호환됩니다. 다용도 리드라이버는 AC 결합 또는 DC 결합이 가능한 고속 차동 입력 및 출력을 제공하므로 TDP1204는 DP++에서 HDMI 레벨 시프터 또는 HDMI 리드라이버로 사용할 수 있습니다. TDP1204는 3, 6, 8, 10 및 12Gbps에서 3 및 4 레인 HDMI 2.1 FRL을 제공합니다.TI TDP1204 레벨 시프터 하이브리드 리드라이버는 소스 및 싱크 애플리케이션을 모두 지원하고 선형 또는 제한된 리드라이버 기능으로 작동할 수 있습니다. 제한된 리드라이버로 구성할 경우 장치의 차동 출력 전압 레벨은 리셉터클에서 HDMI 준수 레벨을 보장하는 GPU(그래픽 프로세스 장치) 출력 레벨과 무관합니다. TDP1204에 레벨 시프터를 통합하면 개별 솔루션이 제거되고 시스템 비용이 절감됩니다.
TDP1204는 VCC에 3.3V의 단일 전원 공급 레일을 제공하며 상용 온도(TDP1204) 및 산업용 온도(TDP1204I)로 제공됩니다.
특징
- 최대 12Gbps의 HDMI 2.1 데이터 전송 속도를 지원하는 AC 결합 또는 DC 결합 입력 및 출력
- HDMI 1.4b 및 HDMI 2.0b와 역호환
- HDMI 2.1 FRL(고정 속도 링크): 3, 6, 8, 10, 12Gbps
- HDMI 2.1 3 및 4 레인 FRL 지원
- HDMI 소스 애플리케이션에 맞게 최적화
- 6GHz에서 최대 12dB의 프로그래밍 가능 수신기 이퀄라이저
- I2C 또는 핀 스트랩 프로그래밍 가능
- 1.8V 및 3.3V LVCMOS 레벨을 모두 지원하는 통합 HPD 레벨 시프터
- 1.2V의 낮은 레벨을 지원하는 통합 DDC 버퍼
- 메인 레인에서 전체 레인 전환
- 링크 구성을 위한 DDC(디지털 디스플레이 제어) 스누핑 기능
- 낮은 소비전력:
- 575mW 12G FRL 4 레인 액티브 제한
- 220mW 12G FRL 4 레인 액티브 선형
- 0.6mW 파워다운
- 상용 및 산업 온도에서 사용 가능
- 단일 3.3V 전력 공급
- 40핀, 0.4mm 피치, 4mm × 6mm, WQFN 패키지
애플리케이션
- 노트북 및 데스크톱
- TV
- 홈시어터 및 엔터테인먼트
- 게임 시스템
- 도킹 스테이션
- 프로 오디오, 비디오 및 표지판
개략도
블록 선도
게시일: 2022-07-29
| 갱신일: 2023-04-03
