Texas Instruments TDE954 4.16Gbps V3Link 직병렬변환기 허브
Texas Instruments TDE954 4.16Gbps V3링크 직병렬변환기 허브는 V3Link 인터페이스를 통해 1개 또는 2개의 독립적인 소스에서 직렬화된 센서 데이터를 수신할 수 있는 다용도 이중 직병렬변환기 허브입니다. TSER953 직렬변환기와 결합 시 TDES954은 2MP/60fps 및 4MP/30fps 카메라는 물론 위성 RADAR와 ToF 및 LIDAR 같은 기타 센서를 지원하는 영상 장치에서 데이터를 수신합니다. 데이터는 MIPI CSI-2 호환 출력 형태로 수신되고 축적되므로, 이 스트림을 받아 처리하는 하위 장치와의 상호 연결성이 보장됩니다. DVP 모드 직렬변환기가 있는 센서의 경우, TDE954는 풀 HD 1080p 2MP 60/fps 이미저 센서를 포함하여 한 개 또는 두 개의 센서에서 데이터를 수신하고 수집합니다. 2레인 운영을 위해 CSI-2 인터페이스를 구성할 때 중복된 MIPI CSI-2 클록 레인을 사용하여 복제된 출력을 제공할 수 있습니다. 복제 모드는 데이터 로깅 및 병렬 처리를 위해 집계된 비디오 스트림 사본을 2개 만듭니다.Texas Instruments TDES954 및 파트너 TSER953 칩셋은 50Ω 단일 엔드 동축 또는 100Ω 차동 STP 케이블을 통해 데이터를 수신하도록 설계되었습니다. 직병렬변환기 허브는 PoC(Power-over-Coax) 애플리케이션에 이상적이며 시간 경과에 따른 케이블 성능 저하를 비롯해 추가 프로그래밍이 필요없이 케이블 손실 특성을 보정하기 위해 수신 이퀄라이저가 자동으로 채택됩니다. 각 V3Link 인터페이스는 또한 I2C, GPIO 및 기타 제어 정보를 지속적으로 전달하는 별도의 낮은 대기 시간 BCC(양방향 제어 채널)을 포함하고 있습니다. 센서 동기화 및 진단 기능을 위한 GPIO 신호도 BCC를 사용합니다.
특징
- 듀얼 직병렬변환기 허브는 V3Link 인터페이스에서 1개 또는 2개의 액티브 센서를 집계함
- 장치 온도 범위: -20~+85℃ TA
- PoC(Power-over-Coax) 호환 송수신기
- MIPI DPHY 버전 1.2/CSI-2 버전 1.3 규격 준수
- CSI-2 출력 포트
- 1, 2, 3, 4 데이터 레인 지원
- 400Mbps/800Mbps/1.5Gbps/1.6Gbps의 각 데이터 레인에 대해 확장 가능한 CSI-2 데이터 전송 속도
- 프로그래밍 가능한 데이터 유형
- 4개의 가상 채널
- ECC 및 CRC 생성
- 초저 데이터 및 제어 경로 대기 시간
- 단일 종단 동축 또는 STP(차폐 연선쌍) 케이블 지원
- 적응 수신 균등화
- I2C(최대 1Mbps의 고속 모드 플러스 제공)
- 카메라 동기화 및 진단을 위한 유연한 GPIO
- TSER953 직렬변환기와 호환
- 라인 오류 감지 및 고급 진단
- IEC 61000-4-2 ESD 규격 준수
애플리케이션
- 가전제품
- 비디오 감시
- 엘리베이터 및 에스컬레이터
- 산업용 로봇
- 머신 비전
- 환자 모니터링 및 진단
- 영상
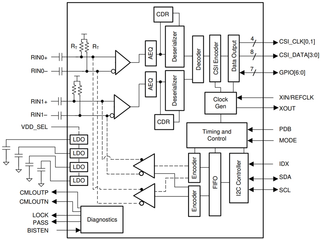
기능 블록 선도
게시일: 2021-05-26
| 갱신일: 2022-03-11
