TI TCAL9538에는 속도, 전력 소비 및 EMI 측면에서 I/O 성능을 향상시키도록 설계된 추가 기능과 함께 민첩한 I/O 포트가 포함되어 있습니다. 기능은 프로그래밍 가능한 출력 구동 강도, 프로그래밍 가능한 풀업 및 풀다운 저항기, 래치 가능 입력, 마스크 가능 인터럽트, 인터럽트 상태 레지스터, 프로그래밍 가능 오픈 드레인 또는 푸시 풀 출력입니다.
특징
- 1.08~3.6V 작동 전원 공급 전압 범위
- 1µA(표준) 낮은 대기 전류 소비(1.8V)
- 1MHz 고속 모드 플러스 I2C 버스
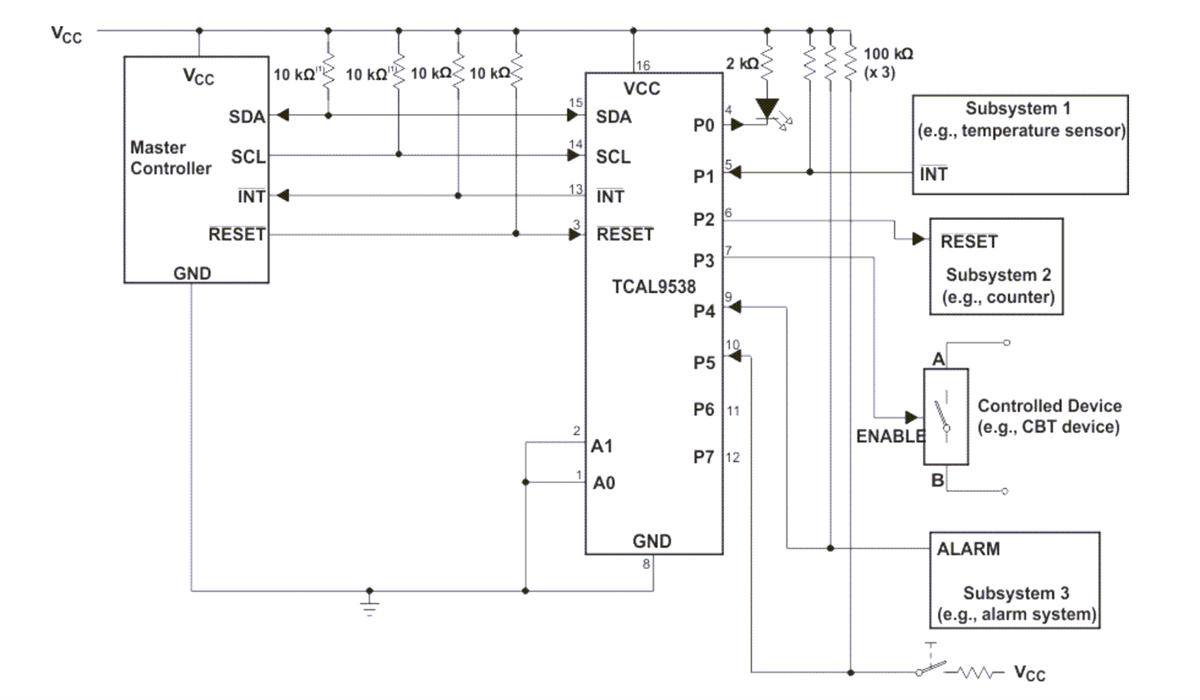
- 동일한 I2C, SMBus 버스에 2개의 장치를 허용하는 하드웨어 어드레스 핀
- 액티브 로우 리셋 입력(RESET)
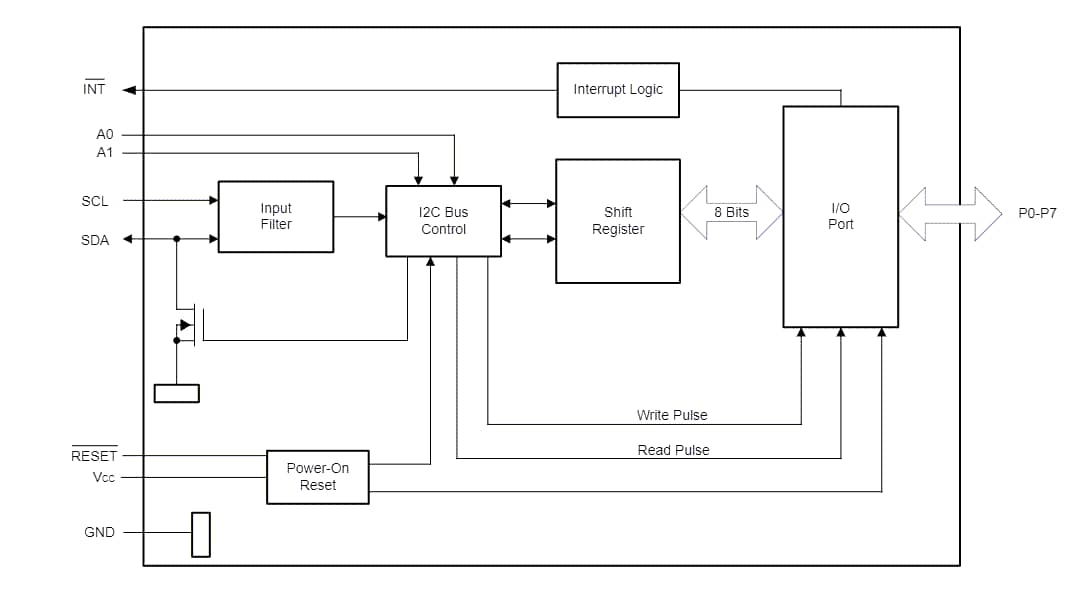
- 오픈 드레인 액티브 로우 인터럽트 출력(INT)
- 입력 또는 출력 구성 레지스터
- 극성 전환 레지스터
- 구성 가능한 I/O 드라이브 강도 레지스터
- 풀업 및 풀다운 저항기 구성 레지스터
- 내부 파워 온 리셋
- SCL 또는 SDA 입력 측 잡음 필터
- LED를 직접 구동하는 고전류 구동 성능을 갖춘 래칭 출력
- JESD 78, Class II에 따른 래치 업 성능이 100mA 초과
- JESD 22를 초과하는 ESD 보호
- 4,000V 인체 모델(A114-A)
- 1,000V 대전 소자 모델(C101)
애플리케이션
- 서버
- 라우터(전기통신 스위칭 장비)
- PC
- 개인용 전자제품
- 산업 자동화
- 게임 콘솔
- GPIO 제한 프로세서가 있는 제품
개략도
일반 애플리케이션 계통도
논리 다이어그램(포지티브 논리)
게시일: 2024-01-25
| 갱신일: 2024-10-30

