PRE 및 CLR이 비활성(높음) 상태일 때, 설정 시간 요구 사항을 충족하는 데이터(D) 입력의 데이터는 클럭(CLK) 펄스의 네거티브 방향 에지를 통해 출력(Q, Q)으로 전송됩니다. 유지 시간이 지나면 출력(Q, Q)의 레벨에 영향을 주지 않고 데이터(D) 입력 측 데이터를 변경할 수 있습니다. SN74HCS72-Q1 장치는 자동차 애플리케이션에 대한 AEC-Q100 인증을 받았습니다.
특징
- 넓은 작동 전압 범위: 2~6V
- 슈미트 트리거 입력 장치는 느리거나 잡음이 많은 입력 신호를 허용함
- 5V에서 출력 드라이브: ±7.8mA
- 낮은 소비전력
- ICC: 100nA(표준)
- 표준 입력 누설 전류: ±100nA
애플리케이션
- 순간 스위치를 토글 스위치로 변환
- 느린 에지 속도 신호 입력
- 잡음이 많은 환경에서 작동
- 웨이크-업 패턴으로 CAN 컨트롤러 전원 활성화
슈미트 트리거 입력의 이점
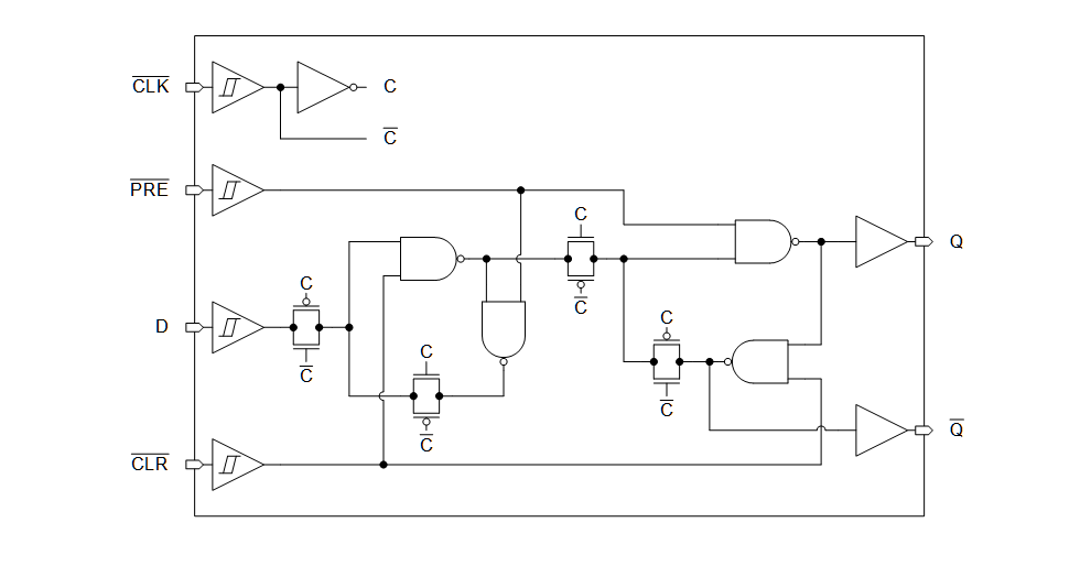
블록 선도
게시일: 2019-11-25
| 갱신일: 2024-02-07

