Texas Instruments SN74HCS595-Q1 자동차용 8비트 변환 레지스터

Texas Instruments SN74HCS595-Q1 자동차용 8비트 변환 레지스터는 8비트, 직렬 입력, 병렬 출력 변환 레지스터가 포함되어 있는 장치입니다. 이 레지스터는 8비트 D 타입 저장 레지스터를 공급합니다. 모든 입력에는 슈미트트리거가 포함되어 있어 느리거나 잡음이 많은 입력 신호로 인한 잘못된 데이터 출력을 제거합니다. 저장 레지스터에는 평행 3상태 출력을 제공합니다. 시프트 및 저장 레지스터를 위해 별도의 클록이 제공됩니다.

특징

  • 자동차 애플리케이션에 대한 AEC-Q100 인증:
    • 장치 온도 등급 1: -40~+125°C, TA
    • 장치 HBM ESD 분류 레벨 2
    • 장치 CDM ESD 분류 레벨 C6
  • 폭넓은 작동 전압 범위: 2~6V
  • 슈미트트리거 입력 장치는 느리거나 잡음이 많은 입력 신호를 허용함
  • 낮은 소비전력
    • ICC: 100nA(표준)
    • 표준 입력 누설 전류: ±100nA
  • 5V에서 출력 드라이브: ±7.8mA

애플리케이션

  • 출력 확장
  • LED 매트릭스 제어
  • 7 세그먼트 디스플레이 제어
  • 8비트 데이터 저장

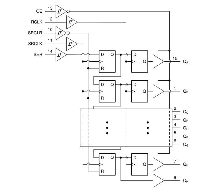
블록 선도

블록 선도 - Texas Instruments SN74HCS595-Q1 자동차용 8비트 변환 레지스터
게시일: 2019-12-23 | 갱신일: 2024-02-13