Texas Instruments SN74HCS237/SN74HCS237-Q1 디코더/ 디멀티플렉서
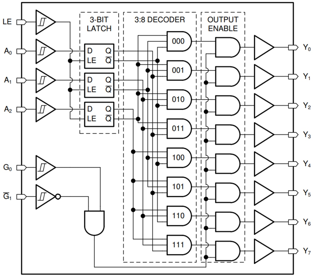
Texas Instruments SN74HCS237/SN74HCS237-Q1 디코더/디멀티플렉서는 래치형 어드레스 비트, 1개의 표준 출력 스트로브(G0) 및 1개의 액티브-로우 출력 스트로브(G1)가 있는 3-8 디코더입니다. LE(latch enable) 입력이 높으면 이 장치는 표준 3-8 디코더로 작동합니다. LE(latch enable) 입력이 낮으면, 어드레스 래치는 이전 상태를 유지합니다. 출력이 한쪽 스트로브 입력에 의해 게이트되면, 모든 출력은 강제로 로우 상태로 전환됩니다. 하나 또는 두 개의 스트로브 입력으로 출력이 비활성화되지 않은 경우, 선택된 출력만 높고 다른 모든 출력은 낮습니다. Texas Instruments SN74HCS237-Q1 장치는 자동차 애플리케이션에 대한 AEC-Q100 인증을 받았습니다.특징
- 2 V~6 V의 넓은 작동 전압 범위
- 슈미트 트리거 입력 장치는 느리거나 잡음이 많은 입력 신호를 허용함
- ±7.8mA 출력 드라이브(6V)
- -40~+125 °C, TA 확장된 주변 온도 범위
- 낮은 소비전력
- 100nA(표준) ICC
- ±100nA(표준) 입력 누설 전류
애플리케이션
- 공유 데이터 버스로 메모리 장치 선택
- 경로 데이터
- 칩 선택 애플리케이션에 필요한 출력 수 감소
기능 블록 선도
게시일: 2020-10-27
| 갱신일: 2024-09-09
