Texas Instruments PGA302 센서 신호 컨디셔너
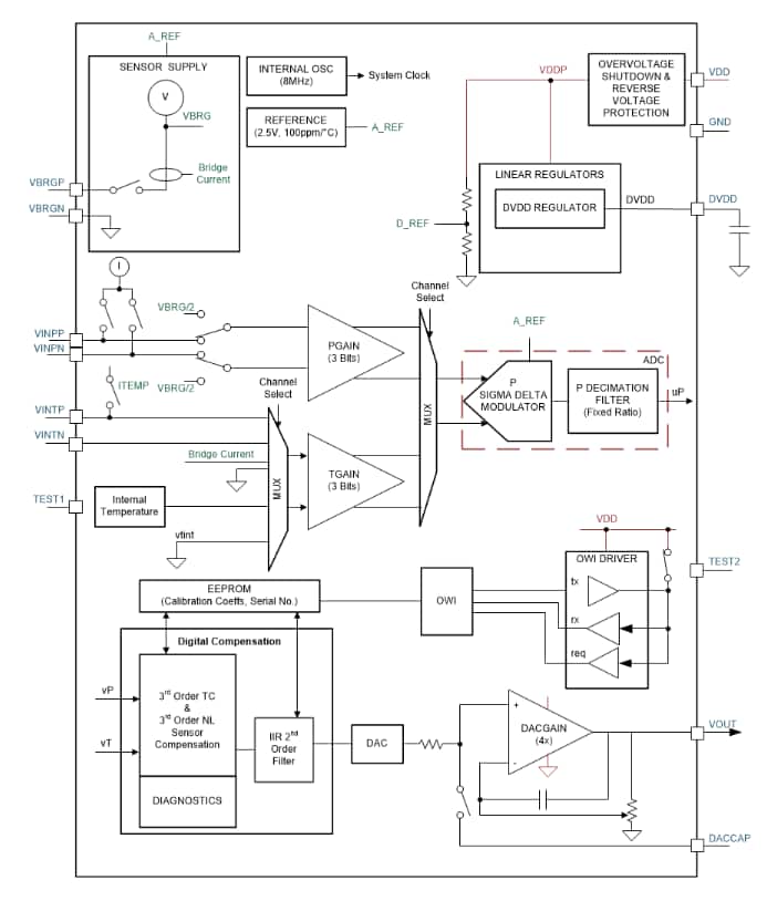
Texas Instruments PGA302 센서 신호 컨디셔너(0V-5V 복사계 출력)는 아날로그 및 디지털 특징과 함께 로우 드리프트 및 저잡음 성능을 표시합니다. 이 장치는 최대 1mA의 프로그래밍 가능 전류 출력을 제공하는 전류 출력원과 함께 2.5V의 브리지 여자를 생성합니다. 16비트 시그마-델타 ADC가 뒤 따르는 동일한 아날로그 프론트 엔드(AFE) 채널 2개를 입력 단자에서 사용할 수 있습니다. 또한 각 AFE 채널에는 최대 200V/V의 이득값을 제공하는 전용 프로그래밍 가능 이득 증폭기가 있습니다. PGA302 센서 신호 컨디셔너는 피에조레지스티브, 세라믹 필름, 스트레인 게이지, 스틸 멤브레인을 비롯한 다양한 감지 소자 타입을 제공합니다. 다른 기능에 대한 예로는 메모리 내장 자체 테스트(MBIST), 워치독 타이머 및 전력 관리 제어 기능을 들 수 있습니다.특징
- 이중 채널 아날로그 프런트 엔드
- 온-칩 온도 센서
- 프로그래밍 가능한 이득: 최대 200V/V
- 16비트 시그마-델타 아날로그-디지털 컨버터
- 3차 순서 선형성 보정 알고리즘
- 장치 구성, 보정 데이터 및 사용자 데이터를 위한 EEPROM 메모리
- I2C 인터페이스
- 전선을 통한 1선 인터페이스
- AFE 센서 입력, 공급 전력 및 출력 버퍼 진단
- MBIST(메모리 자가 진단 시험)
- 워치독
- 전력 관리 제어
애플리케이션
- 파워트레인 압력 센서
- 파워트레인 배출 센서
- HVAC 센서
- 좌석 센서
- 제동 시스템
- 배터리 관리 시스템(BMS)
Additional Resources
PGA302 블록 선도
게시일: 2018-03-26
| 갱신일: 2023-10-30
