Texas Instruments PFCLLCSREVM034 AC-절연 DC 평가 모듈
Texas Instruments PFCLLCSREVM034 AC-절연 DC 평가 모듈)은 UCC28056B, UCC25604, UCC24624 장치를 평가합니다. 평가 모듈은 전환 모드 역률 보정 프론트 엔드와 동기식 정류 기능이 있는 절연 하프 브리지 LLC 공진 컨버터가 있는 168W AC/DC 공급 장치입니다. Texas Instruments PFCLLCSREVM034는 90 ~264Vrms 의 AC 입력을 받아들이고 12VDC 를 출력하여 168W 최대 부하 출력 전력을 출력합니다.특징
- 보급형 단일 계층 PCB
- 90 ~264Vrms AC 입력 전압
- 정격 12VDC 표준 출력
- 168W 최대 부하 전력, 또는 14A 최대 부하 전류
- 최적화된 저전력 기능으로 극히 낮은 대기 전력 구현
- 고효율
- 최소화된 가청 잡음을 위한 버스트 소프트 온 및 소프트 오프 기능이 있는 고급 버스트 모드
- X-커패시터 방전
- 장치 및 토폴로지 평가를 용이하게 하는 테스트 포인트
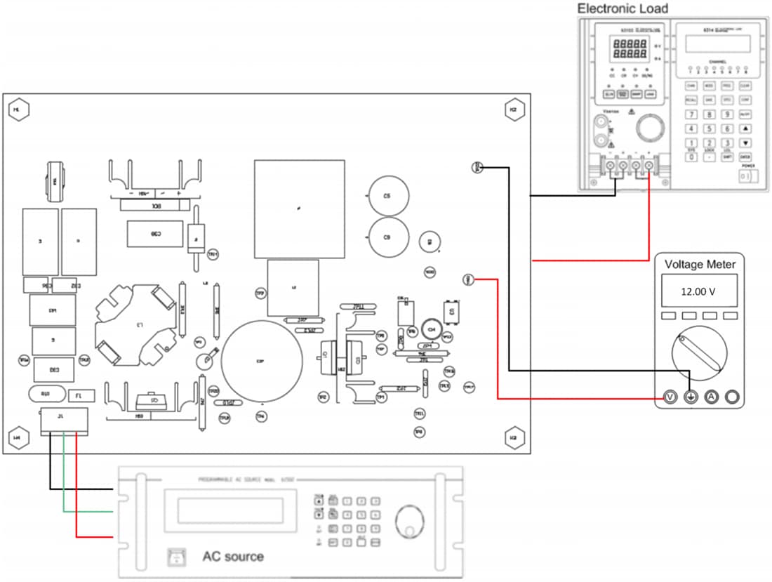
필수 장비
- AC 전압 소스
- 단상 출력 AC 전압 85~265VAC, 47~63Hz, 최소 전력 등급 100W 및 전류 제한 기능으로 조정 가능
- 사용할 AC 전압 소스는 IEC 60950 강화 절연 요구 사항을 충족해야 합니다.
- DC 디지털 멀티미터
- 0~450VDC 입력 범위가 가능한 장치 1개, 4자리 디스플레이 선호
- 0~20VDC 입력 범위가 가능한 장치 1개, 4자리 디스플레이 선호
- 출력 부하
- 0VDC~20VDC, 0A~14A 및 0W~300W 이상을 수신할 수 있는 DC 부하, 부하 전류 및 부하 전력과 같은 정보를 표시할 수 있는 기능
- 오실로스코프
- 500MHz의 전체 대역폭, 디지털 또는 아날로그(디지털 시, 5Gsps 이상) 가능
- 팬
- 200~400LFM 강제 공기 냉각은 권장되지만 필수는 아닙니다.
- 권장 전선 규격
- 와이어의 총 길이가 8피트(4피트 입력 및 4피트 반환) 미만인 25A 또는 #14 AWG 이상 가능
애플리케이션
- 산업용 AC/DC 어댑터
- 전동 공구
- 의료용 전원 공급 장치
- 다기능 프린터
- 엔터프라이즈 및 영화 프로젝터
- PC 전원 공급 장치
- 게임 콘솔 전원 공급 장치
테스트 설정
게시일: 2020-08-24
| 갱신일: 2024-08-16
