LP5868T는 아날로그 디밍과 PWM 디밍 방식을 모두 지원합니다. 아날로그 디밍의 경우 각 LED 점은 256단계로 조정할 수 있습니다. 통합 8비트 또는 16비트 구성 가능한 PWM 발생기는 PWM 디밍을 위해 부드럽고 가청 잡음 없는 디밍 제어를 가능하게 합니다. 각 LED 도트는 8비트 그룹 PWM에 임의로 매핑되어 함께 조광 제어를 달성할 수도 있습니다.
LP5868T 장치는 어드레스 지정 가능한 전체 SRAM을 구현하여 데이터 트래픽을 최소화합니다. 고스트 제거 회로가 통합되어 위쪽 및 아래쪽 고스팅을 모두 제거합니다. Texas Instruments LP5868T는 LED 개방 및 단락 감지 기능도 지원합니다. LP5868T에서는 1MHz(최대) I2C 및 12MHz(최대) SPI를 모두 사용할 수 있습니다.
특징
- LED 매트릭스 토폴로지:
- 42개의 LED 도트용 스캔 스위치 7개를 포함한 정전류 싱크 6개
- 1~7개의 스캔 스위치를 위해 구성 가능
- 작동 전압 범위
- VCC/VLED 범위: 2.7~5.5V
- 1.8V, 3.3V, 5V와 호환되는 로직 핀
- 고정밀 정전류 싱크 18개
- VCC ≥ 3.3V일 때 전류 싱크당 100mA
- ±5% 장치 간 오류
- ±5% 채널간 오류
- 균형 잡힌 과도 전력을 위한 위상 변이
- 매우 낮은 전력 소비
- 차단 모드: EN = Low일 때 ICC ≤ 1µA
- 대기 모드: EN = High 및 CHIP_EN = 0(데이터 유지)일 때 ICC ≤ 10μA
- 활성 모드: 채널 전류 = 12.5mA일 때 ICC = 5mA(일반)
- 데이터 트래픽을 최소화하는 전체 주소 지정 SRAM
- 개별 LED 도트 개방/단락 감지
- 유연한 조광 옵션
- 각 LED 도트에 대한 개별 온/오프 제어
- 아날로그 조광(전류 이득 제어)
- 모든 LED 도트에 대한 전역 7단계 최대 전류(MC) 설정
- 빨강, 녹색 및 파랑에 대한 7비트 CC(컬러 전류) 설정의 세 그룹
- 각 LED 도트에 대한 개별 8비트 도트 전류(DC) 설정
- 가청 잡음 없는 주파수를 사용한 PWM 조광
- 모든 LED 도트에 대한 글로벌 8비트 PWM 디밍
- LED 도트 임의 매핑을 위한 3개의 프로그래밍 가능한 8비트 PWM 디밍 그룹
- 각 LED 점에 대한 개별 8비트 또는 16비트 PWM 디밍
- 디고스팅 및 낮은 밝기 보정
- 인터페이스 옵션
- IFS = Low인 경우 1MHz(최대) I2C 인터페이스
- IFS = High인 경우 12MHz(최대) SPI 인터페이스
애플리케이션
- LED 애니메이션 및 표시
- 주요 및 스마트 홈 제품
- 전역 RGB 키보드 백라이트
- 아웃도어 키패드 후광 조명
- 비디오 감시 및 IP 카메라용 IR 모듈
- 광학 모듈의 레이저 다이오드
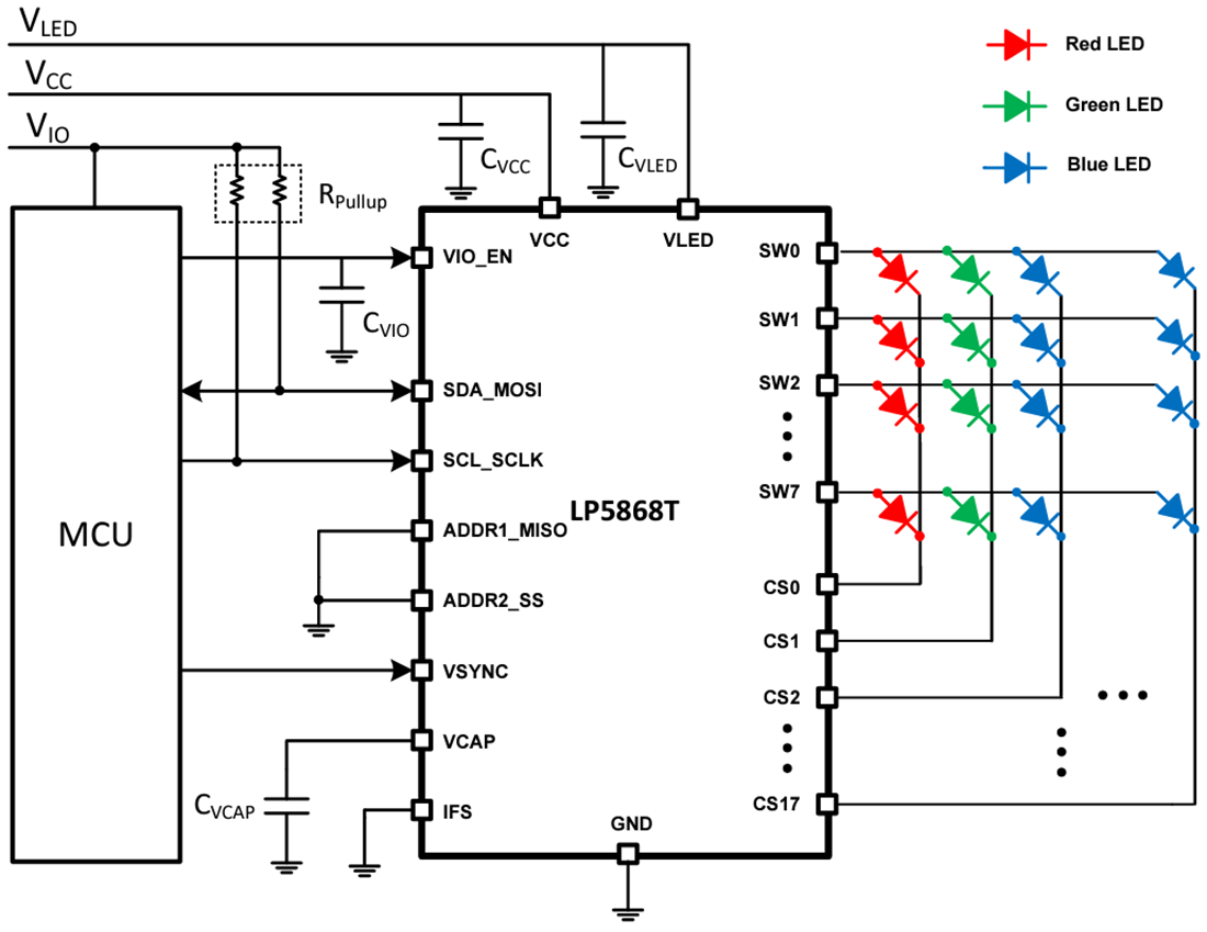
단순화된 회로도
게시일: 2023-10-25
| 갱신일: 2024-03-20

