Texas Instruments ISOW7741DFMEVM 평가 모듈

Texas Instruments ISOW7741DFMEVM 평가 모듈은 ISOW774x를 쉽고 빠르게 시연하도록 설계되었으며 20핀 WB SOIC 패키지(패키지 코드 DFM)로 제공됩니다. ISOW774x는 고효율 및 저방출 DC-DC 변환기가 통합되어 있는 쿼드 채널 고성능, 5,000VRMS 강화 디지털 아이솔레이터입니다.

특징

  • 고효율, 저방출 DC-DC 변환기가 통합되어 있는 고성능, 5,000VRMS 강화 쿼드 채널 디지털 아이솔레이터
  • 별도의 IO 및 DC/DC 공급 입력
  • 1.71~5.5V IO를 위한 넓은 공급 및 레벨 변환 범위
  • 최대 100Mbps 높은 신호 처리 속도
  • 40년 이상 절연 배리어 수명

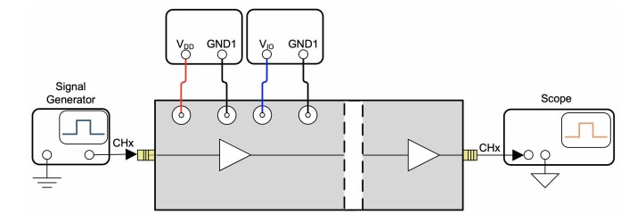
일반 테스트 설정

Texas Instruments ISOW7741DFMEVM 평가 모듈

레이아웃

Texas Instruments ISOW7741DFMEVM 평가 모듈
게시일: 2021-01-07 | 갱신일: 2022-08-26