Texas Instruments ISO5451/ISO5451-Q1 Isolated IGBT/MOSFET Gate Driver

Texas Instruments ISO5451/ISO5451-Q1 절연
IGBT/MOSFET 게이트 드라이버

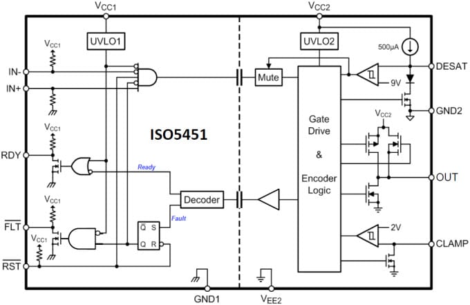
Texas Instruments의 ISO5451/ISO5451-Q1은 IGBT 및 MOSFET 용 기본 절연 게이트 드라이버로, 4.25kVRMS, 2.5A 소스 전류 및 5A 싱크 전류 같은 특징이 있습니다. 입력부는 3~5.5V 단일 전원 장치로 작동합니다. 출력부는 15V(최소)부터 30V(최대)의 공급 범위를 허용합니다. 상호 보완적인 CMOS 입력 2개가 게이트 드라이버의 출력 상태를 제어합니다. 전달 시간이 76나노 초로 짧아 출력 단계를 정확하게 제어합니다. 포화 고장 검출 기능 내장되어 IGBT가 과부하 상태에 있으면 인식합니다. 포화 상태가 활성화 되면 고장 신호가 절연 장벽을 거쳐 전달되어 입력부에서 FLT 출력을 끌어당기고 절연기 입력을 차단합니다. 그러면 FLT 출력 조건이 제약을 받고 RST 입력부에서 로우-액티브 펄스를 통해 재설정할 수 있습니다. 게이트 드라이버가 작동할 준비가 되었는지 여부는 입력부와 출력부 공급을 모니터링하는 저전압 차단 회로에 따라 결정됩니다. 한 곳이라도 공급이 적으면 RDY 출력이 로우, 그렇지 않다면 하이로 결정됩니다. ISO154x-Q1 소자는 자동차 전장용 AEC-Q100 인증을 취득했습니다.

특징
  • 피크 소스 전류 2.5A, 피크 싱크 전류 5A
  • 짧은 전파 지연 시간: 76ns(일반), 110ns(최대)
  • 액티브 밀러 클램프 2A
  • 출력 단락 클램프
  • 포화 상태가 감지되면 고장 경고가 FLT로 전달되며 RST를 통해 재설정
  • UVLO(저전압 차단)의 RDY 핀 표시 기능으로 입출력 제어
  • 전력 저공급 또는 부동 입력인 경우 능동 출력 풀-다운 및 기본 저출력
  • 입력 공급 전압: 3~5.5V
  • 출력 드라이버 공급 전압: 15~30V
  • CMOS 호환 가능 입력
  • 20ns보다 짧은 입력 펄스 및 잡음 전달 거부
  • 최소 50kV/µs 및 일반적으로 100kV/µs
  • VCM = 1500V에서 CMTI(일반 모드 과도 내성)
  • 작동 온도: -40~125°C 주변 온도

  • 안전 및 규제 승인
    • DIN V VDE V 0884-10(VDE V 0884-10):2006-12에 따라 6000VPK VIOTM 및 1420VPK VIORM 기본 절연
    • UL 1577에 따라 분당 4250VRMS 절연
    • CSA Component Acceptance Notice 5A, IEC 60950-1 및 IEC 61010-1 End Equipment Standards
    • GB4943.1-2011에 따라 CQC 인증
    • 모든 인증 계획 중

  • 응용 분야
    • 절연 IGBT 및 MOSFET 드라이브
      • 산업용 모터 제어 드라이브
      • 산업용 전원 장치
      • 태양광 인버터
      • HEV 및 EV 전력 모듈
      • 유도 가열

ISO5851EVM 평가 모듈

Texas Instruments의 ISO5851EVM 평가 모듈은 ISO5851 강화 절연 게이트 드라이버 장치의 특성을 갖췄습니다. 이에 따라 설계자는 장치의 AC 및 DC 성능을 평가할 수 있습니다. 표준 TO-247 또는 TO-220 패키지에서 1nF 부하를 미리 붙이거나 사용자가 설치하는 IGBT로 설정됩니다. ISO5851은 5.7kVRMS, 강화 절연, IGBT 게이트 드라이버(소스 전류 2.5A, 싱크 전류 5A) 등의 특성을 갖췄습니다. 1차면은 3~5.5V 전원 장치로 작동합니다. 출력부는 15V(최소)부터 30V(최대)의 공급 범위를 허용합니다.

특징
  • 강화 절연 IGBT 게이트 드라이버, 소스 전류 2.5A, 싱크 전류 5A
  • 전달 시간이 76나노 초로 짧아 출력 단계를 정확하게 제어
  • 1차면은 3~5.5V 전원 장치로 작동
  • 출력부는 15V(최소)부터 30V(최대)의 공급 범위 허용
  • 밀러 클램프 2A
  • 출력 단락 클램프

  • 포화 시 고장 경고
  • UVLO(저전압 차단)의 RDY 핀 표시 기능으로 입출력 제어
  • 능동 출력 풀-다운 및 기본 저출력 조건
  • 전력 저공급 또는 부동 입력인 경우 게이트 드라이버가 포화 감지
  • CMOS 호환 가능 입력

기능 블록 선도
Functional Block Diagram
eNews
  • Texas Instruments
게시일: 2015-09-15 | 갱신일: 2025-06-06