TI ISO1640EVM 평가 모듈은 ISO1640 및 ISO1641 장치의 다양한 시스템 매개변수를 평가할 수 있습니다. 테스트 신호 및 시퀀스는 장치 채널에 적용되어 다양한 장치 조건에 대한 전파 지연, 상승/하강 시간 및 소비전력과 같은 매개변수의 성능 특성을 평가할 수 있습니다.
특징
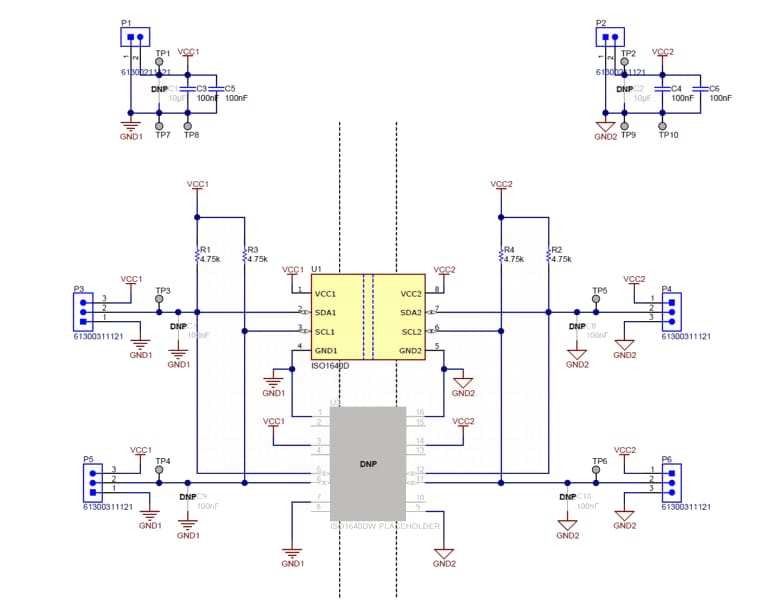
- D 및 DW 패키지로 제공되는 ISO1640 및 ISO1641 장치 평가
- 측면 1에서 3 V~5.5 V 및 측면 2에서 2.25 V~5.5 V 공급 전압 및 레벨 변환 범위
- 절연, 양방향, I2C-호환 통신
- 대형 시스템으로 독립형 평가 또는 평가를 위한 테스트 포인트 및 헤더
- 절연 배리어 수명: 40년 이상
보드 레이아웃
기본 EVM 작동
계통도
게시일: 2020-10-28
| 갱신일: 2024-09-10

