Texas Instruments INA191 전류 감지 증폭기
Texas Instruments INA191 전류 감지 증폭기는 저전력, 전압 출력, 전류 션트 모니터(전류 감지 증폭기라고도 함)입니다. 이 증폭기는 과전류 보호, 시스템 최적화용 정밀 전류 측정 또는 폐루프 피드백 회로에 흔히 사용됩니다. 이 증폭기는 공급 전압과 관계없이 -0.2~+40V의 공통 모드 전압에서 션트를 가로 지르는 전압 강하를 감지할 수 있습니다. INA191의 낮은 입력 바이어스 전류 덕분에 더 큰 전류 감지 저항기를 사용할 수 있으므로, μA 범위에서 전류를 정확히 측정할 수 있습니다. 25V/V, 50V/V, 100V/V, 200V/V 또는 500V/V의 5가지 고정 이득을 사용할 수 있습니다. 제로 드리프트 아키텍처의 낮은 오프셋 전압은 전류 측정의 다이내믹 레인지를 확장해 줍니다. 또한 이를 통해 전력 손실을 줄이면서도 정확한 전류 측정 기능을 제공하는 더 작은 감지 저항기를 실현할 수 있습니다.INA191은 1.7~5.5V의 공급 전압 범위에서 작동하며 인에이블 시 최대 65μA의 소비전류를 소모하며, 디스에이블 시 100nA만 소모합니다. 이 장치는 -40~+125°C의 작동 온도 범위에서 작동하며 DSBGA-6 패키지로 제공됩니다.
특징
- 저전력
- 낮은 공급 전압, VS: 1.7~5.5V
- 낮은 셧다운 전류: 100nA(최대)
- 낮은 대기 전류: 25°C에서 43µA(표준)
- 낮은 입력 바이어스 전류: 100pA(표준) (µA 전류 측정 가능)
- 정확도
- 최대 이득 오류: ±0.25%(A2~A5 장치)
- 이득 드리프트: 7ppm/°C(최대)
- 오프셋 전압: ±12µV(최대)
- 오프셋 드리프트: 0.13µV/°C(최대)
- 넓은 공통 모드 전압: -0.2~+40V
- 이득 옵션
- INA191A1: 25V/V
- INA191A2: 50V/V
- INA191A3: 100V/V
- INA191A4: 200V/V
- INA191A5: 500V/V
- 패키지: 0.895mm2 DSBGA
애플리케이션
- 노트북 컴퓨터
- 휴대폰
- 배터리 전원 공급식 장치
- 텔레콤 장비
- 전력 관리
- 배터리 충전기
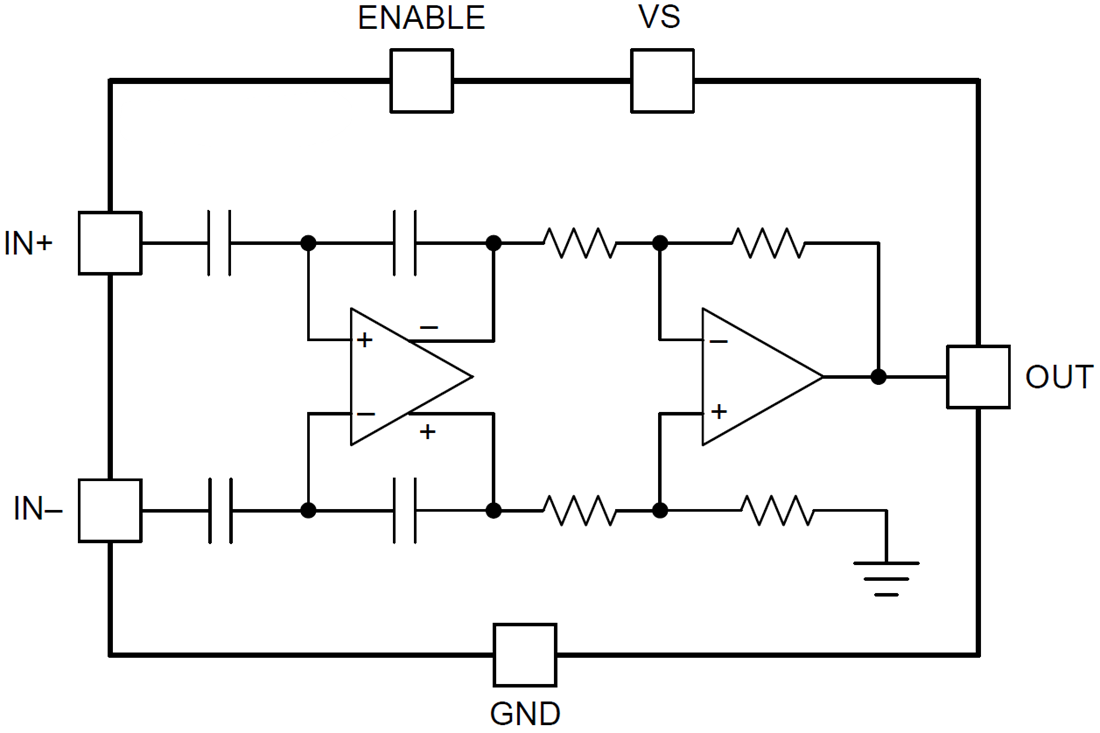
기능 블록 선도
게시일: 2019-04-29
| 갱신일: 2024-10-30
