Texas Instruments DS90LVRA2EVM 평가 모듈
Texas Instruments DS90LVRA2EVM 평가 모듈은 DS90LVRA2 이중 CMOS 차동 라인 수신기의 성능 및 기능 평가용으로 설계되었습니다. 이 평가 모듈은 DS90LVRA2 수신기에 의해 지원되는 출력 파형 특성 및 신호 무결성을 신속하게 평가합니다. DS90LVRA2 수신기는 높은 입력 공통 모드 범위, 높은 데이터 전송 속도 및 슬루율 제어 기능이 있는 CMOS 출력이 필요한 애플리케이션을 위해 설계되었습니다. 이 수신기는 LVDS(저전압 차동 신호 처리) 기술을 활용하여 600Mbps(300MHz)의 데이터 전송 속도를 지원합니다. SMA를 통해 DS90LVRA2 수신기 입력 및 출력에 액세스할 수 있으며 성능 평가를 위해 실험실 장비 또는 사용자 시스템에 쉽게 연결할 수 있습니다. DS90LVRA2EVM 평가 모듈은 보드-보드 통신, 다기능 프린터, 초음파 스캐너, 실험실 계측 및 데이터 센터 상호 연결 시스템에 이상적으로 사용됩니다.특징
- DS90LVRA2 듀얼 CMOS 차동 라인 수신기 평가
- 600Mbps(300MHz) 스위칭 속도
- 1.8V 공급 전압
- 차동 LVDS를 단일 종단 CMOS로 변환
- 전원 공급 전압을 기반으로 하는 CMOS 출력 전압
- 플로우 스루 핀아웃으로 PCB 레이아웃 간소화
- LVDS 입력에서 높은 임피던스 전원 차단
- 출력 슬루율 제어
애플리케이션
- 보드-보드 통신
- 다기능 프린터
- 초음파 스캐너
- 실험실 계측
- 데이터센터 상호 연결
- 테스트 및 측정
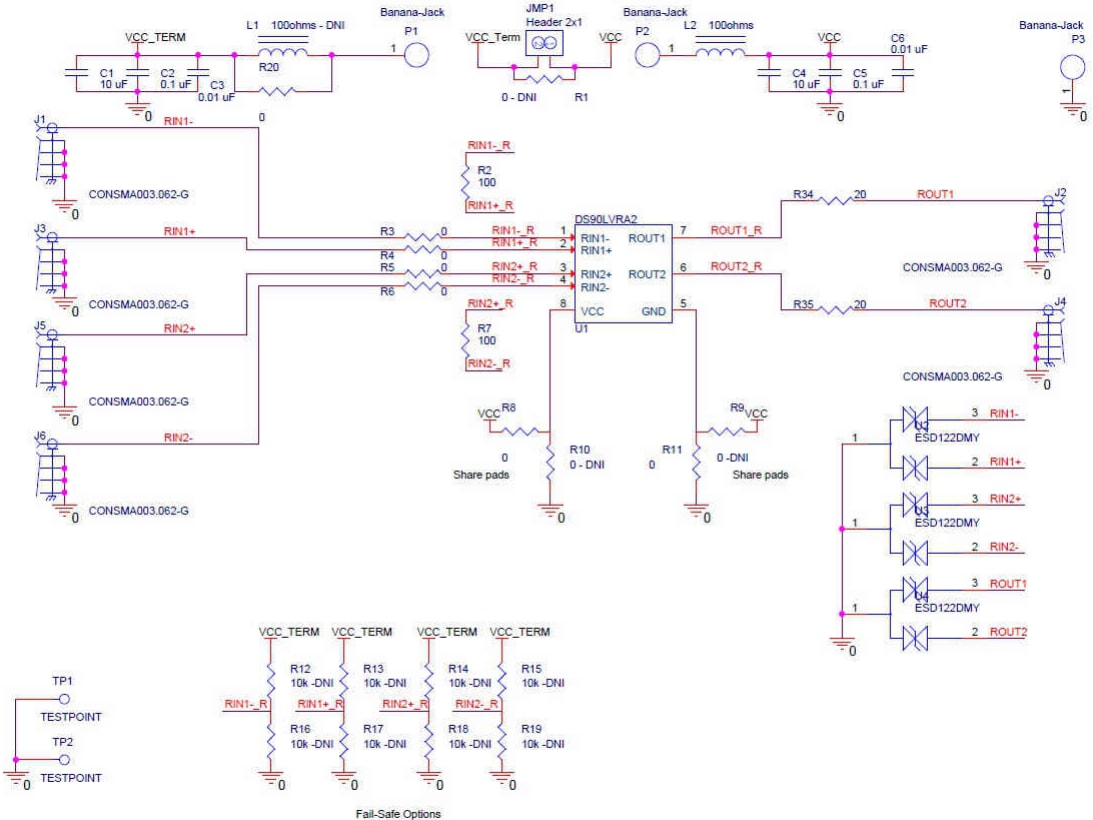
계통도
추가 자료
게시일: 2023-01-27
| 갱신일: 2023-03-24
