Texas Instruments DS250DF230 이중 채널 다중 속도 리타이머

Texas Instruments DS250DF230 이중 채널 다중 속도 리타이머는 고속 직렬 링크의 도달 거리 및 연결 견고성을 확장하기 위해 사용되며, 이는 장거리, 손실, 혼선으로 인한 문제를 극복하기 위한 것으로, 이를 통해 비트 오류율(BER) 10~15 이하를 달성할 수 있습니다. DS250DF230의 각 채널은 19.6~25.8Gbps의 연속 범위에서 직렬 데이터 속도에 독립적으로 잠깁니다. 이 장치는 12.16512Gbps, 9.8304Gbps, 6.144Gbps 같은 핵심 데이터 속도를 비롯한 하위율(÷2 및 ÷4)도 지원합니다. 이 DS250DF230은 단일 전원 공급 장치를 제공하며 최소한의 외부 구성 요소를 필요로 합니다. 이러한 특징 덕분에 PCB 라우팅이 단순해지고 BOM 비용도 절감됩니다.

특징

  • 신호 조건 조절 기능이 통합되어 있는 이중 채널 다중 속도 리타이머
  • 19.6~ 25.8Gbps에서 독립적으로 실행되는 모든 채널 잠금 기능(12.16512Gbps, 9.8304Gbps, 6.144Gbps 등과 같은 서브 레이트 포함)
  • 매우 낮은 지연 시간: 25.78125Gbps 데이터 속도에 대해 표준 500ps 이하
  • CTLE(적응형 연속 시간 선형 이퀄라이저)
  • 연속 DFE(적응형 결정 피드백 이퀄라이저), 온도에 대한 대규모 채널 손실 변동 보상 기능
  • 12.9GHz에서 35dB 채널 손실을 지원하는 결합 균등화 기능
  • 온 칩 EOM(Eye Opening Monitor), PRBS 패턴 체커/발생기
  • 저지터 송신기(3탭 FIR 필터 포함)
  • 통합된 2x2 교차점
  • 채널 0 에서 시스템 클록 동기화 애플리케이션에 사용 가능한 복구된 클록 제공
  • 단일 전원 공급 장치, 저 지터 기준 장치 불필요
  • 광범위한 잠금 유지 온도 범위

애플리케이션

  • 전면 포트 유무선 시스템 광학 인터페이스를 위한 지터 청소
  • 백플레인/중간 플레인 도달 범위 확장
  • 능동 케이블 어셈블리
  • 802.3bj 100GbE, InfiniBand EDR 및 OIF-CEI-25G-LR/MR/SR/VSR 전기 인터페이스
  • SFP28, QSFP28, CFP2/CFP4, CDFP

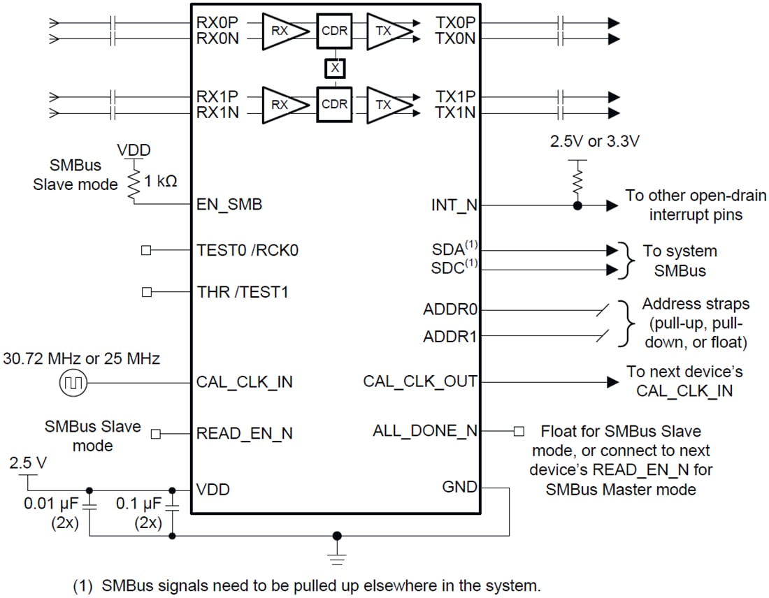
개략도

계통도 - Texas Instruments DS250DF230 이중 채널 다중 속도 리타이머
게시일: 2019-02-27 | 갱신일: 2023-07-24