Texas Instruments DRV8884 1.0A 스테퍼 모터 드라이버
Texas Instruments DRV8884 1.0A 스테퍼 모터 드라이버는 산업용 장비 애플리케이션을 위해 설계된 스테퍼 모터 드라이버입니다. 이 장치에는 N 채널 전력 공급 MOSFET H 브리지 드라이버 2개, 극소 보정 인덱서, 집적 전류 센서가 있습니다. DRV8884는 최대 1.0A의 전체 범위 또는0.7Arms 출력 전류까지 구동할 수 있습니다. 드라이버의 집적 전류 센서 기능은 2개의 외부 감지 레지스터의 필요성을 없앱니다. STEP/DIR 핀은 간편한 컨트롤 인터페이스를 제공합니다. 이 장치는 최대 1/16 스텝 모드까지 전체 단계로 구성할 수 있습니다. 전용 nSLEEP 핀을 사용해 매우 낮은 대기 전류 대기를 위해 낮은 전력 공급 절전 모드가 제공됩니다.특징
- PWM 극소 보정 스테퍼 모터 드라이버
- 최대 1/16 극소 보정
- 비원형 및 표준형 ½ 스텝 모드
- 집적 전류 감지 기능
- 감지 레지스터가 필요하지 않음
- ±6.25% 전체 규모의 전류 정확도
- 슬로우 및 혼합형 감쇠 옵션
- 8.0에서 37V에 이르는 작동 공급 전압 범위
- 낮은 RDS(ON): 24V, 25°C 조건에서 1.4Ω HS + LS
- 높은 전류 용량
- 브리지당 1.0A 전체 규모
- 브리지당 0.7A rms
- 고정형 오프타임 PWM 초핑
- 심플 STEP/DIR 인터페이스
- 낮은 전류 절전 모드(20μA)
- 소형 패키지 및 설치 공간
- 24 HTSSOP(PowerPAD)
- 보호 기능
- VM 저전압 록아웃(UVLO)
- 충전 펌프 저전압(CPUV)
- 과전류 보호(OCP)
- 열 차단(TSD)
- 결함 상태 지시 핀(nFAULT)
애플리케이션
- 다기능 프린터 및 스캐너
- 레이저 빔 프린터
- 3D 프린터
- 현금 자동 인출기 및 금전 출납기
- 비디오 보안 카메라
- 사무실 자동화 기기
- 공장 자동화 및 로봇 공학
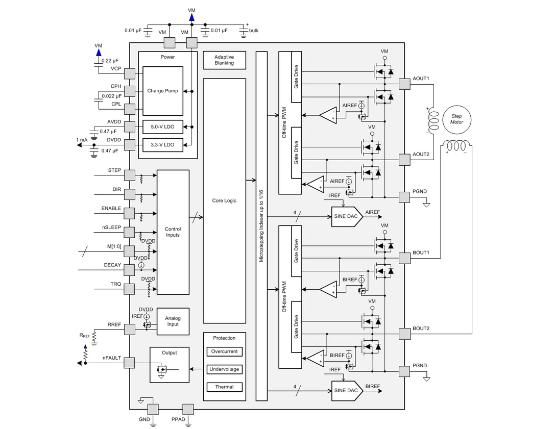
기능 선도
게시일: 2016-07-01
| 갱신일: 2022-03-11
