Texas Instruments DRV8300/DRV8300-Q1 3상 게이트 드라이버
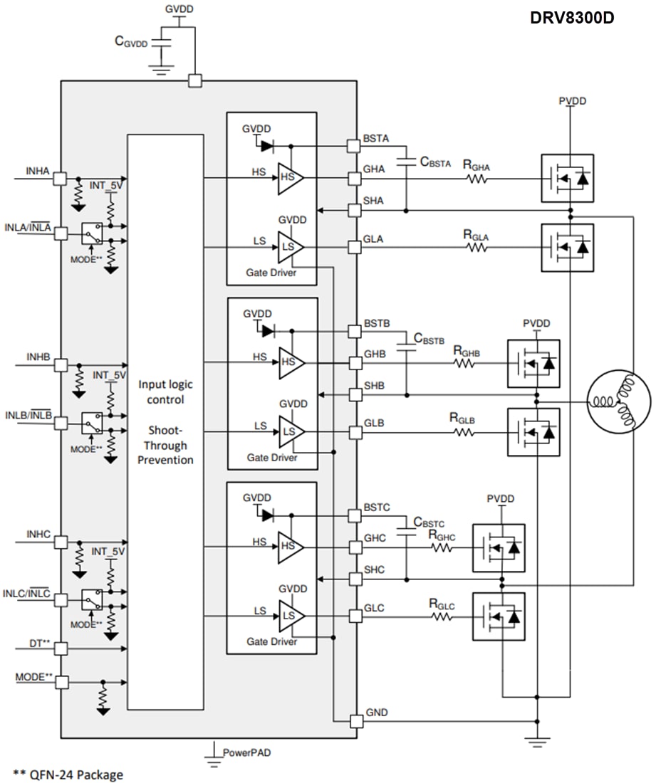
Texas Instruments DRV8300/DRV8300-Q1 3상 게이트 드라이버는 각각 하이 측 및 로우 측 N-채널 전력 MOSFET을 구동할 수 있는 3개의 하프 브리지 게이트 드라이버를 제공합니다. DRV8300D/DRV8300D-Q1는 하이 측 MOSFET을 위한 통합 부트스트랩 다이오드 및 외부 커패시터를 사용하여 정확한 게이트 드라이브 전압을 생성합니다. DRV8300N은 하이 측 MOSFET을 위한 외부 부트스트랩 다이오드 및 외부 커패시터를 사용하여 정확한 게이트 드라이브 전압을 생성합니다. GVDD는 로우 측 MOSFET을 위한 게이트 드라이브 전압을 생성하는데 사용됩니다. Texas Instruments DRV8300/DRV8300-Q1 게이트 드라이브 아키텍처는 최대 750mA의 피크 소스 및 1.5A 싱크 전류를 지원합니다.위상 핀 SHx는 상당한 네거티브 전압 과도 현상을 견딜 수 있는 반면, 하이 측 게이트 드라이버 공급 BSTx 및 GHx는 더 높은 포지티브 과도 전압(115V) 절대 최대 전압을 지원할 수 있습니다. 이 기능은 시스템의 견고성을 개선합니다. 작은 전파 지연 및 지연 정합 사양으로 데드 타임 요구를 최소화하여 효율성을 더욱 개선합니다. GVDD 및 BST 저전압 로크아웃을 통해 로우 측 및 하이 측에 모두 저전압 보호 기능을 제공합니다. DRV8300-Q1 장치는 자동차 애플리케이션에 대한 AEC-Q100 인증을 받았습니다.
특징
- 3중 하프 브리지 게이트 드라이버
- 3개의 하이 측 및 3개의 로우 측 NMOS(N-채널 MOSFET) 구동
- 통합형 부트스트랩 다이오드(DRV8300D 장치)
- 반전 및 비반전 INLx 입력 지원
- 부트스트랩 게이트 드라이브 아키텍처
- 750mA 소스 전류
- 1.5A 싱크 전류
- 최대 15s의 배터리 전원 공급식 애플리케이션 지원
- SHx 핀에서 낮은 누설 전류(55µA 미만)
- 115V 절대 최대 BSTx 전압
- SHx 핀에서 최대 -22V의 네거티브 과도 전류 지원
- 교차 전도 방지 기능 내장
- QFN 패키지 변형을 위해 DT 핀을 통해 조절 가능한 데드 타임
- TSSOP 패키지 변형을 위해 200nS의 고정 데드 타임 삽입
- 최대 20V Abs로 3.3V 및 5V 로직 입력 지원
- 4nS 표준 전파 지연 정합
- 소형 QFN 및 TSSOP 패키지
- 전력 블록으로 효율적인 시스템 설계
- 통합 보호 기능
- BSTUV(BST 저전압) 로크아웃
- GVDDUV(GVDD 저전압)
애플리케이션
- 전동 바이크, 전동 스쿠터, E-모릴리티
- 팬, 펌프 및 서보 드라이브
- BLDC(무브러시 DC) 모터 모듈 및 PMSM
- 무선 정원 및 전동 공구, 잔디 깎는 기계
- 무선 진공청소기
- 드론, 로봇 및 RC 완구
- 산업 및 물류 로봇
게시일: 2021-01-19
| 갱신일: 2022-05-20
