Texas Instruments DLP3021LEQ1EVM EVM(평가 모듈)
Texas Instruments DLP3021LEQ1EVM EVM(평가 모듈)은 DLP3021-Q1 칩셋과 제어 및 인터페이스하도록 설계된 완벽한 전자 및 광학 서브시스템입니다. DLP3021-Q1은 FPGA 기반 DMD(디지털 마이크로 미러 장치) 컨트롤러와 인터페이스합니다. 이 칩셋은 조명 및 프로젝션 광학 장치뿐 아니라 RGB LED와 결합되어 풀 모션 비디오 재생 기능과 함께 최대 30루멘의 밝기를 제공하는 프로젝터를 생성하며 소형 폼 팩터로 제공됩니다. Texas Instruments DLP3021LEQ1EVM은 생산 설계 장치가 아닌 평가 전용입니다.특징
- 동적 접지 프로젝션 애플리케이션을 대상으로 하는 소형 조명 엔진
- 저장된 이미지와 풀 모션 비디오를 표시할 수 있음
- 최대 30루멘의 밝기
- 3.5W 미만의 총 소비전력
키트 구성품
- DLP3021LEQ1EVM 평가 모듈
- USB-SPI 케이블
- SPI 어댑터 PCB
- 전원 및 SPI 케이블
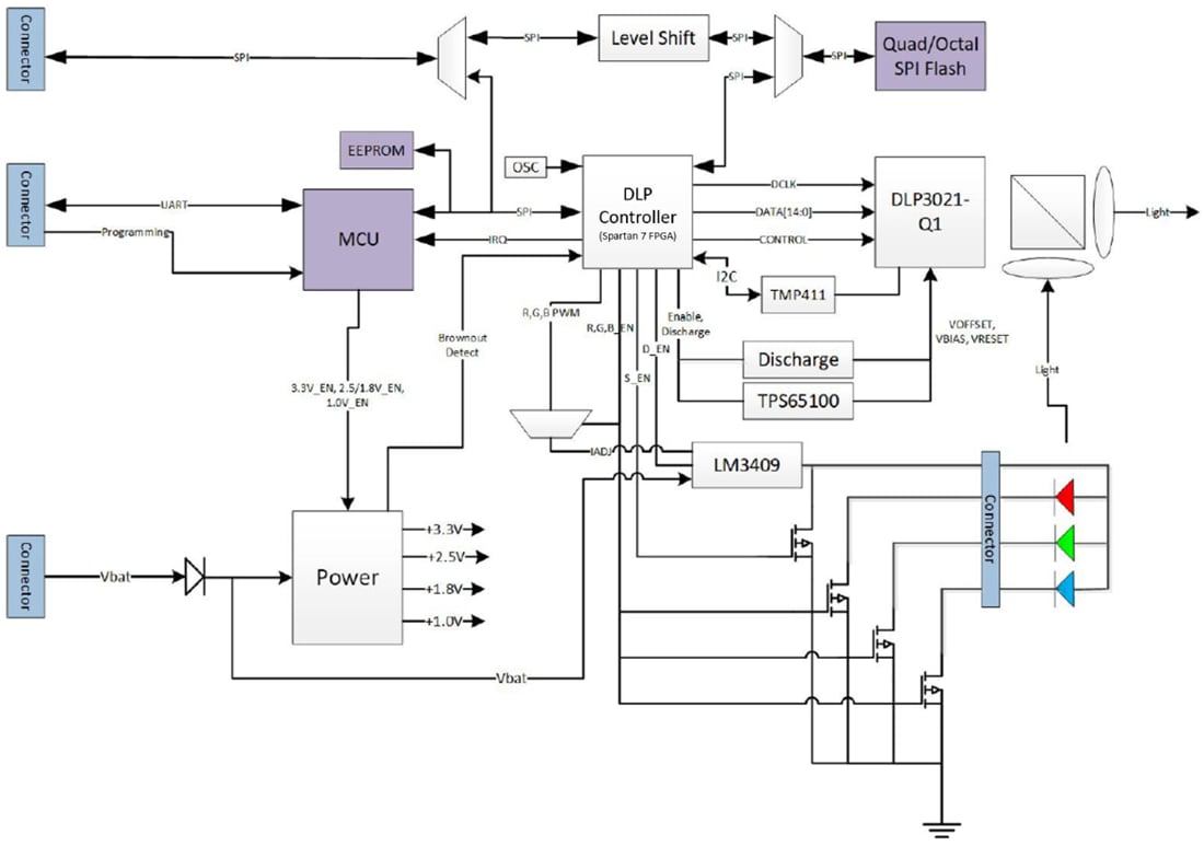
블록 선도
게시일: 2021-04-13
| 갱신일: 2025-04-21
