Texas Instruments BQ76942 멀티셀 배터리 모니터
Texas Instruments BQ76942 멀티셀 배터리 모니터는 3시리즈~10시리즈 리튬-이온, 리튬-폴리머 및 LiFePO4 배터리 팩을 위한 고집적, 고정확도 배터리 모니터 및 보호기입니다. 이 장치는 고정밀 모니터링 시스템, 고도로 구성 가능한 보호 서브시스템을 포함하고 있으며 자율 또는 호스트 제어 셀 밸런싱을 위한 지원 기능을 제공합니다. 하이 측 충전 펌프 NFET 드라이버, 외부 시스템 사용을 위한 이중 프로그래밍 가능 LDO 및 400kHz I2C, SPI 및 HDQ 1-wire 표준을 지원하는 호스트 통신 주변 장치가 통합되어 있습니다. Texas Instruments BQ76952는 48핀 TQFP 패키지로 제공됩니다.특징
- 3시리즈~10시리즈 셀에 대한 배터리 모니터링 기능
- 선택적 자율 복구 기능을 갖춘 하이 측 NFET 보호를 위한 통합 충전 펌프
- 전압, 온도, 전류 및 내부 진단을 포함한 광범위한 보호 제품군
- 독립적인 ADC 2개
- 동시 전류 및 전압 샘플링 지원
- 입력 오프셋 오류가 1µV 미만(표준)인 고정확도 쿨롱 카운터
- 10mV(표준) 미만의 고정확도의 셀 전압 측정
- 광범위한 전류 애플리케이션(감지 저항기에서 ±200mV 측정 범위)
- 통합된 2차 화학 퓨즈 드라이브 보호
- 자율 또는 호스트 제어 셀 밸런싱
- 다중 전원 모드(표준 배터리 팩 작동 범위 조건)
- NORMAL 모드(286µA)
- 다중 SLEEP 모드 옵션(24~41µA)
- 다중 DEEPSLEEP 모드 옵션(9~10µA)
- SHUTDOWN 모드(1µA)
- 셀 연결 및 추가 핀 선택 시 85V의 고전압 허용 오차
- 생산 라인에서 랜덤 셀 연결 시퀀스에 대한 내성
- 내부 센서와 최대 9개의 외부 서미스터를 사용한 온도 감지 지원
- 생산 라인에서 고객이 프로그래밍 가능한 통합 OTP(one-time-programmable) 메모리
- 통신 옵션으로 400kHz I2C, SPI 및 HDQ 1-wire 인터페이스 포함
- 외부 시스템 사용을 위한 이중 프로그래밍 가능 LDO
- 48핀 TQFP 패키지(PFB)
애플리케이션
- 무선 전동 공구 및 정원 도구
- 진공 청소기
- 전동바이크, 전동스쿠터 및 LEV
- 상용 드론
- 기타 산업용 배터리 팩(3시리즈~10시리즈)
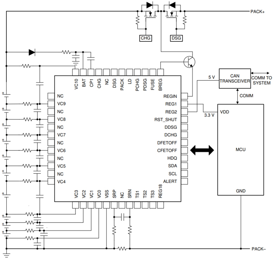
개략도
게시일: 2021-02-22
| 갱신일: 2022-03-11
