BQ27Z561-R1 연료 게이지는 I2C 호환 및 HDQ 1-와이어 인터페이스를 사용하여 통신합니다. 이 장치에는 정확한 가스 측정 애플리케이션을 용이하게 하는 데 도움이 될 수 있는 여러 가지 주요 기능도 포함됩니다. 통합된 내부 및 외부 온도 감지 기능 옵션 덕분에 시스템 및 배터리 온도를 측정할 수 있습니다. 통합된 SHA-256 기능 덕분에 시스템과 팩 사이를 안전하게 식별할 수 있습니다.
BQ27Z561-R1은 특정한 SOC(충전 상태), 전압 또는 온도 조건이 발생할 때 인터럽트 및 BTP 기능을 사용하여 시스템에 알려줍니다. 저전압 작동으로 심하게 방전된 상태에서도 시스템이 배터리를 계속 모니터링할 수 있습니다. 낮은 활동 상태에서 이 장치는 저전력 CC(쿨롱 카운팅) 모드로 설정하여 장치가 쿨롱 카운팅을 계속하면서 작동 전류를 현저하게 감소시킬 수 있습니다.
특징
- 1mΩ 미만의 전류 감지 저항기 지원
- 향상된 SOH(state of health) 알고리즘을 포함한 팩 사이드 게이징 지원
- 예상 OCV를 기반으로 하는 고속 QMAX 업데이트 옵션
- 배터리 팩 보안 강화를 위한 SHA-256 인증 응답기
- 정교한 충전 알고리즘:
- JEITA
- 향상된 충전
- RSOC 충전 보상 옵션
- 독립적인 ADC 2개
- 동시 전류 및 전압 샘플링 지원
- 입력 오프셋 오류가 1µV 미만(표준)인 고정확도 쿨롱 카운터
- 저전압(2V) 작동
- 광범위한 전류 애플리케이션(1mA~5A 초과)
- 액티브 하이 또는 로우 펄스 또는 레벨 인터럽트 핀
- BTP(배터리 트립 포인트) 지원
- 전력 모드 감소(표준 배터리 팩 작동 범위 조건)
- 일반적인 절전 모드: 11µA 미만
- 일반적인 딥슬립 모드: 9µA 미만
- 일반적인 오프 모드: 1.9µA 미만
- 내부 및 외부 온도 감지 기능
- 진단 수명 데이터 모니터링 및 블랙 박스 레코더
- 고속 프로그래밍 및 데이터 액세스를 위한 400kHz I2C 버스 통신 인터페이스
- 호스트와의 통신을 위한 HDQ 1-와이어
- 소형 12핀 DSBGA 패키지(YPH)
애플리케이션
- 스마트폰
- 디지털 스틸 카메라 및 비디오 카메라
- 태블릿 컴퓨팅
- 휴대용 및 웨어러블 헬스 기기 및 휴대용 오디오 기기
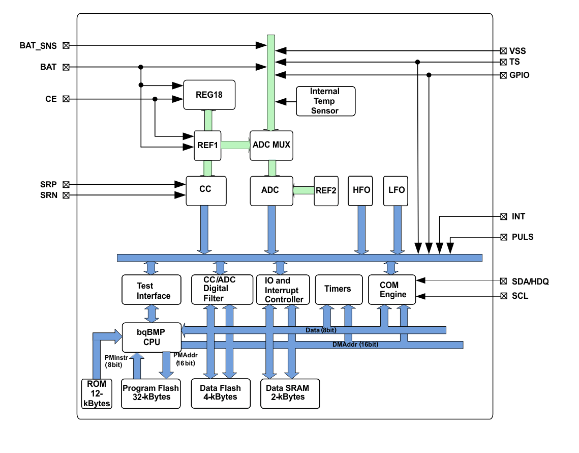
블록 선도
게시일: 2019-05-15
| 갱신일: 2025-06-25

