Texas Instruments bq2510x Single Cell Li-On Battery Charger ICs

Texas Instruments bq2510x 단일 셀 리튬이온
배터리 충전기 IC

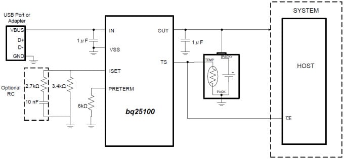
Texas Instruments bq2510x 단일 셀 리튬이온 배터리 충전기 IC는 공간이 제한된 휴대용 애플리케이션을 타겟으로 하는 고도로 집적된 리튬이온 및 리튬폴리머 선형 충전기입니다. 입력 과전압 보호 기능을 지원하는 높은 입력 전압 범위는 저가형 비조정 어댑터를 지원합니다. bq2510x는 단일 출력으로 배터리를 충전합니다. 평균 시스템 부하가 10시간 안전 타이머 동안 배터리의 완전 충전을 방해하지 않는 이상 시스템 부하와 배터리 충전을 병행할 수 있습니다. 배터리는 예비 충전, 정전류, 정전압의 3단계로 충전됩니다. 모든 충전 단계에서 내부 제어 루프는 IC 접합 온도를 모니터링하고 내부 온도 임계값을 초과하면 충전 전류를 줄입니다. 충전기의 전력단과 충전 전류 감지 기능이 완전하게 통합되어 있습니다. 충전기 기능은 높은 정확도의 전류 및 전압 조정 루프와 충전 터미네이션을 포함합니다. 예비 충전 전류 및 터미네이션 전류 임계값은 bq2510x의 외부 레지스터를 통해 프로그래밍됩니다. 빠른 충전 전류 값도 외부 레지스터를 통해 프로그래밍이 가능합니다.

특징

충전
  • 1% 충전 전압 정확도
  • 10% 충전 전압 정확도
  • 매우 낮은 충전 전류(10mA ~ 250mA)용 애플리케이션 지원
  • 최소 1mA 충전 터미네이션 전류 지원
  • 초저 배터리 출력 누설 전류 - 최대 75nA
  • 조정 가능한 터미네이션 및 예비 충전 임계값
  • 고전압 지원: 4.35V(bq25100H/01H), 4.30V(bq25100A)
보호
  • 30V 입력 정격; 6.5V 입력 과전압 보호 지원
  • 입력 전압 동적 전원 관리
  • 125°C 열 조정; 150°C 과열 종료 보호
  • OUT 단락 보호 및 ISET 단락 감지
  • 배터리 NTC를 통해 JEITA 범위에서 작동 - 냉각시 1/2 빠른 충전 전류, 과열시 4.06V(bq25100/01) 또는 4.2V(bq25100H/01H)
  • 고정된 10 시간 안전 타이머


시스템
  • 배터리팩이 없는 경우를 위한 자동 터미네이션 및 타이머 비활성 모드(TTDM)
  • 소형의 1.60mm × 0.90mm DSBGA 패키지 제공

애플리케이션
  • 피트니스 액세서리
  • 스마트 워치
  • Bluetooth® 헤드셋
  • 저전력 휴대용 장치
일반적인 애플리케이션
Typical Application
eNews
  • Texas Instruments
게시일: 2014-10-03 | 갱신일: 2022-03-11