Texas Instruments AMC1336/AMC1336-Q1 절연형 델타-시그마 변조기
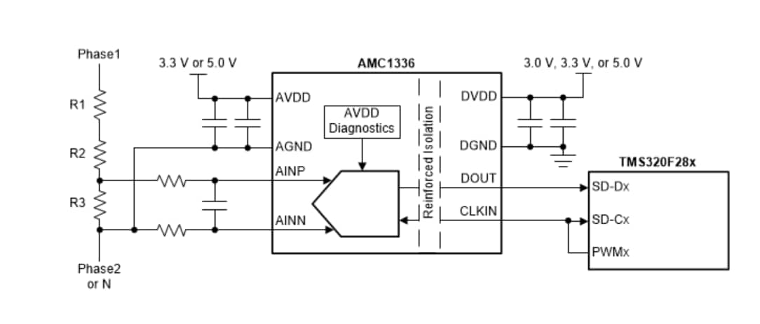
Texas Instruments AMC1336/AMC1336-Q1 강화 절연 델타-시그마 변조기는 자기 간섭에 대한 내성이 뛰어난 용량성 이중 절연 장벽을 통해 입력 회로와 분리된 출력을 제공합니다. 이 장벽은 DIN VDE V 0884-11 및 UL1577 표준에 따라 최대 8000VPEAK 의 강화된 절연을 제공하는 것으로 인증되었습니다. AMC1336/AMC1336-Q1 변조기는 다양한 공통 모드 전압 레벨에서 작동하는 시스템 부품을 분리하고 다른 절연 전원 공급 장치와 함께 사용할 때 저전압 부품이 손상되지 않도록 보호합니다.AMC1336 강화 절연 델타-시그마 변조기는 고전압 애플리케이션에서 장치를 저항 분배기에 직접 연결할 수 있도록 지원하는 높은 입력 저항을 갖춘 고유한 넓은 양극 ±1V 입력 전압 범위를 제공합니다. TMS320F28004x, TMS320F2807x 또는 TMS320F2837x 마이크로컨트롤러 제품군과 같은 디지털 필터와 함께 사용하여 출력 비트스트림을 소멸하는 경우, 이 장치는 82kSPS의 데이터 속도에서 87dB의 동적 범위로 16비트 분해능을 달성할 수 있습니다.
AMC1336은 하이 측에서 3.3V 또는 5V 전원 공급 장치를 통해 공급되며 절연 디지털 인터페이스의 3.0V, 3.3V 또는 5V 전원 공급 장치에서 작동합니다. AMC1336 변조기의 성능은 –40~+125°C의 확장된 산업 온도 범위에서 지정되었습니다. Texas Instruments AMC1336-Q1 장치는 자동차 애플리케이션에 대한 AEC-Q100 인증을 받았습니다.
특징
- 전압 측정에 맞게 최적화된 입력 구조
- 입력 전압 범위: ±1V
- 입력 저항: 1.5GΩ(표준)
- 우수한 DC 성능:
- 오프셋 오류: ±0.5mV(최대)
- 오프셋 드리프트: ±4µV/°C(최대)
- 이득 오차: ±0.25%(최대)
- 이득 드리프트: ±40ppm/°C(최대)
- 과도 현상에 대한 내성: 115kv/µs(표준)
- 누락 하이 측 전원 감지
- 안전 관련 인증:
- DIN VDE V 0884-11: 2017-01에 따른 8000VPEAK 강화 절연
- UL1577에 따라 1분간 5700VRMS 절연
- IEC 62368-1 최종 장비 표준
애플리케이션
- 절연 AC 및 DC 전압 측정:
- 무정전 전원 공급 장치
- 태양광 인버터
- 모터 드라이브
기능 선도
게시일: 2020-01-20
| 갱신일: 2024-05-07
