Texas Instruments ADS127L18 24비트 ADC
Texas Instruments ADS127L18 24비트 ADC(아날로그-디지털 컨버터)는 단일 채널 ADS127L11을 기반으로 하는 델타 시그마(ΔΣ) 장치입니다. 이 장치는 최대 512kSPS(광대역 필터 모드) 및1,365kSPS(저지연 필터 모드)의 데이터 전송 속도로 8개 채널의 샘플링을 제공합니다. ADS127L18 ADC는 2.85~5.5V 아날로그 공급 전압 범위에서 작동합니다. 이러한 장치는 낮은 전력 소비로 AC 성능과 DC 정밀도의 탁월한 조합을 제공합니다. ADS127L18 ADC는 드롭인 확장성을 허용하는 동일한 7mmx7mm VQFN 패키지로 제공됩니다. 이 24비트 장치는 -40°C~125°C 온도 범위에서 작동합니다. ADS127L18 ADC는 테스트 및 측정, 공장 자동화 및 제어, 항공우주 및 방위, 의료, 그리드 인프라에 이상적입니다.특징
- 8-채널 측정
- 512kSPS(최대) 광대역 필터 모드
- 1,365kSPS(최대) 저지연 필터 모드
- 전력 확장 가능한 속도 모드:
- 512kSPS(최대) 속도
- 165mW
- 400kSPS 고속
- 128mW
- 200kSPS 중속
- 74mW
- 50kSPS 저속
- 24mW
- 512kSPS(최대) 속도
- DC 정밀도를 갖춘 AC 성능(고속 모드)
- 112dB(표준) 동적 범위(200kSPS)
- -118dB(표준) THD
- INL 1ppm(표준) FSR
- 10nV/°C(표준) 오프셋 드리프트
- 0.5ppm/°C(표준) 이득 드리프트
- 버퍼링된 신호 입력 사전 충전
- 핀 설정 또는 SPI로 프로그래밍 가능
- 출력 데이터용 프레임 동기화 포트
- 내부 또는 외부 클록 작동
- 2.85~5.5V 아날로그 공급 전압 범위
애플리케이션
- 테스트 및 측정:
- DAQ(데이터 수집)
- 충격 및 진동 기기
- 음향 및 동적 변형률 게이지
- 공장 자동화 및 제어
- 상태 모니터링
- 항공우주 및 방위산업:
- 수중 음파 탐지기
- 의료:
- EEG(뇌파도)
- 그리드 인프라:
- 전력 품질 분석기
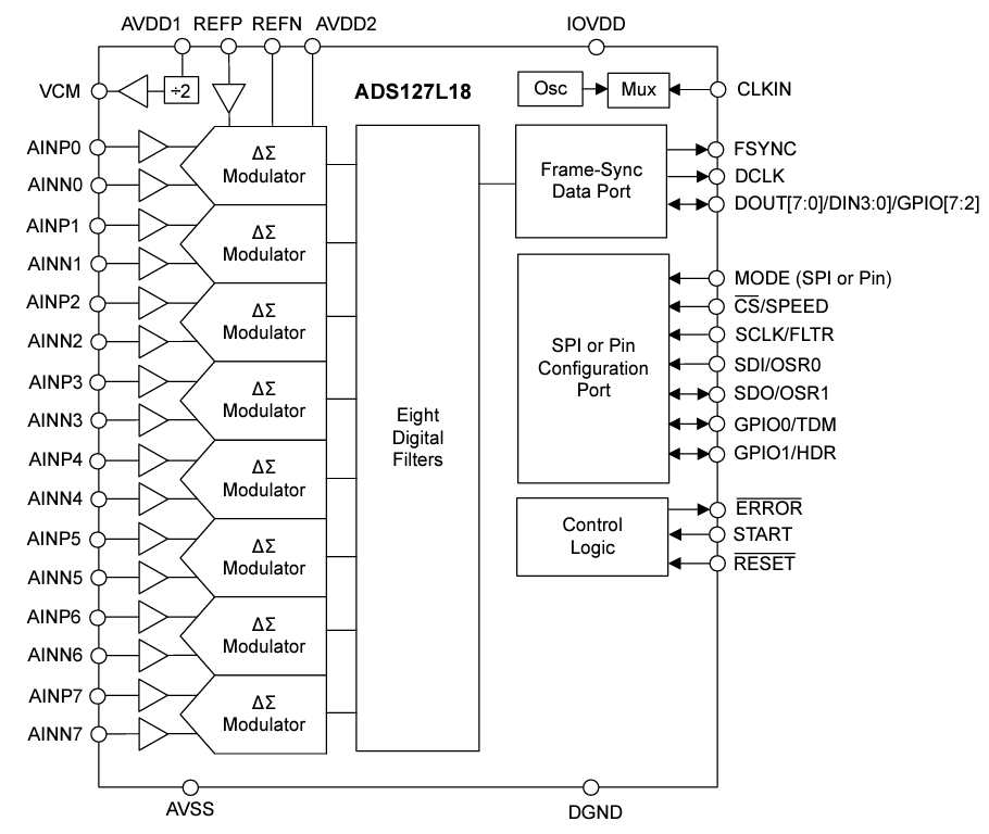
블록 선도
애플리케이션 다이어그램
게시일: 2025-01-15
| 갱신일: 2025-04-10
