TI ADC364x는 뛰어난 DC 정밀도와 IF 샘플링을 지원하므로 다양한 애플리케이션에 완벽한 선택이 될 수 있습니다. DDR 또는 직렬 CMOS 인터페이스를 사용하여 데이터를 출력하며, 최저 전력 디지털 인터페이스와 디지털 상호 연결 수를 최소화할 수 있는 유연성을 제공합니다. 이 장치는 다양한 속도 등급의 핀-핀 호환 제품군입니다.
ADC364x ADC는 40~+105°C 확장된 산업용 온도 범위를 지원하며 40핀 VQFN 패키지로 제공됩니다.
특징
- 2채널
- 14비트 10/25/65MSPS ADC
- -155dBFS/Hz의 노이즈 플로어
- 최적화된 전력 확장으로 초저전력 29mW/ch(10MSPS)~72mW/ch(65MSPS)
- 지연 시간은 클럭 1개 주기입니다.
- 14비트, 누락된 코드 없음
- ±0.6LSB의 INL, DNL: ±0.2LSB
- 외부 또는 내부 기준
- -40~+105°C 산업 온도 범위
- 온칩 디지털 필터(옵션)
- 2, 4, 8, 16, 32로 데시메이션
- 32비트 NCO
- DDR 및 직렬 CMOS 인터페이스
- 40-VQFN(5×5mm) 패키지의 작은 설치 공간
- 1.8 V 단일 공급 전압
- 스펙트럼 성능(fIN =5MHz)
- SNR: 79.0 dBFS
- SFDR: 93dBc HD2, HD3
- SFDR: 101 dBFS 최소 스퍼
- 스펙트럼 성능(fIN =64MHz)
- SNR 74.0dBFS
- SFDR: 84dBc HD2, HD3
- SFDR: 90dBFS Worst Spur
애플리케이션
- 고속 데이터 수집
- 산업 모니터링
- 열화상
- 영상 및 수중 음파 탐지기
- 소프트웨어 정의 무선 장치
- 전력 품질
- 통신 인프라
- 고속 제어 루프
- 계장
- 스마트 그리드
- 분광학
- 레이더
- SMU(소스 측정 장치)
- GPS 수신기
- 수중 음파 탐지기
- 서브스테이션 자동화
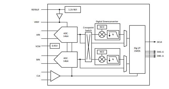
블록 선도
게시일: 2020-12-15
| 갱신일: 2024-10-18

