Texas Instruments ADC08DJ5200RF 8비트 ADC(아날로그-디지털 컨버터)
Texas Instruments ADC08DJ5200RF 8비트 ADC(아날로그-디지털 컨버터)는 DC에서 10GHz 이상까지의 입력 주파수를 직접 샘플링하는 RF 샘플링, 기가 샘플 ADC입니다. ADC08DJ5200RF는 2채널, 5.2GSPS ADC 또는 단일 채널, 10.4GSPS ADC로 구성할 수 있습니다. 최대 10GHz의 사용 가능한 입력 주파수 범위 지원을 통해 주파수 민첩성 시스템을 위한 L-대역, S-대역, C-대역 및 X-대역을 직접 RF 샘플링할 수 있습니다.Texas Instruments ADC08DJ5200RF는 최대 17.16Gbps의 라인 속도를 지원하는 16개의 직렬 레인이 있는 고속 JESD204C 출력 인터페이스를 사용합니다. 결정적 대기시간 및 다중 장치 동기화는 JESD204C 서브클래스 1을 통해 지원됩니다. JESD204C 인터페이스는 오프라인 속도 및 레인 수를 절충하도록 구성할 수 있습니다. 8b/10b 및 64b/66b 데이터 인코딩 방식을 모두 지원합니다. 64b/66b 인코딩은 향상된 비트 오류율을 위해 FEC(순방향 오류 수정)를 지원합니다. 이 인터페이스는 JESD204B 수신기와 역호환됩니다.
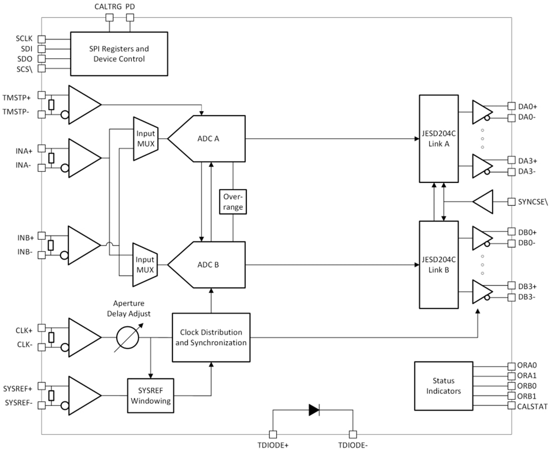
잡음이 없는 애퍼처 지연 조정 및 SYSREF 윈도우를 포함한 혁신적인 동기화 기능을 사용하면 다중 채널 애플리케이션을 위한 시스템 설계를 간소화할 수 있습니다. 프로그래밍 가능한 원적외선 필터를 통해 온 칩 등가화를 구현할 수 있습니다.
특징
- ADC 코어
- 8비트 분해능
- 단일 채널 모드에서 최대 10.4GSPS
- 2채널 모드에서 최대 5.2GSPS
- 성능 사양
- 잡음 플로어(–20dBFS, VFS = 1 VPP-DIFF):
- 2채널 모드(-143.4dBFS/Hz)
- 단일 채널 모드(-146.2dBFS/Hz)
- ENOB(2채널, FIN = 2.4GHz, 표준)(7.8비트)
- 잡음 플로어(–20dBFS, VFS = 1 VPP-DIFF):
- VCMI가 0V인 버퍼링된 아날로그 입력
- 8.1GHz 아날로그 입력 대역폭(-3dB)
- 10GHz 이상의 사용 가능한 입력 주파수 범위
- 0.8VPP 풀 스케일 입력 전압(VFS, 기본값)
- 무소음 애퍼처 지연(tAD) 조정
- 19fs 스텝 정밀 샘플링 제어
- 동기화 및 인터리빙 간소화
- 온도 및 전압 불변 지연
- 사용하기 쉬운 동기화 기능
- 자동 SYSREF 타이밍 보정
- 샘플 마킹용 타임스탬프
- JESD204C 직렬 데이터 인터페이스:
- 17.16Gbps 최대 레인 속도
- 64b/66b 및 8b/10b 인코딩 지원
- JESD204B와 호환되는 8b/10b 모드
- 피크 RF 입력 전력(차동)(+26.5dBm (+27.5dBFS, 560x 풀 스케일 전원))
- 등가화용으로 프로그래밍 가능한 원적외선 필터
- 3.8W 전력 소비
- 전원장치(1.1V, 1.9V)
애플리케이션
- 오실로스코프 및 광대역 디지타이저
- 통신 테스터(802.11ad, 5G)
- 전자전(SIGINT, ELINT)
- SATCOM(위성 통신)
- RF 샘플링 SDR(소프트웨어 정의 라디오)
- 분광계
기능 블록 선도
게시일: 2021-09-28
| 갱신일: 2023-04-21
