Texas Instruments CC2591 RF 프런트 엔드 Range Extender
![]() |
![]() |
|
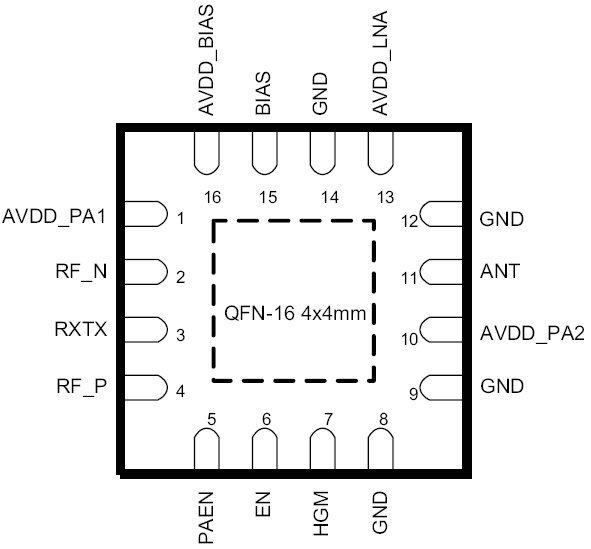
Texas Instruments CC2591 2.4GHz RF 프런트 엔드 Range Extender는 기존 및 향후의 TI RF 송수신기, 송신기 및 SoC(시스템 온 칩) 제품을 위해 특별히 설계되었습니다. CC2591은 고성능 무선 애플리케이션을 간편하게 설계하기 위해 높은 통합 수준과 CC2 xxx RF 장치에 대한 완벽한 인터페이스를 제공합니다. 이 RF 프런트 엔드 Range Extender는 출력 전력 개선을 위한 전력 증폭기, 수신기 감도 개선을 위해 잡음 지수가 낮은 LNA, 소형 4x4mm QFN-16 패키지를 포함합니다. |
|
|
![]() 특징:
응용 분야:
블록 선도:
데이터시트
|
||
게시일: 2008-07-18
| 갱신일: 2025-06-25




데이터시트