TE Connectivity / Measurement Specialties MEAS 웨더 실드
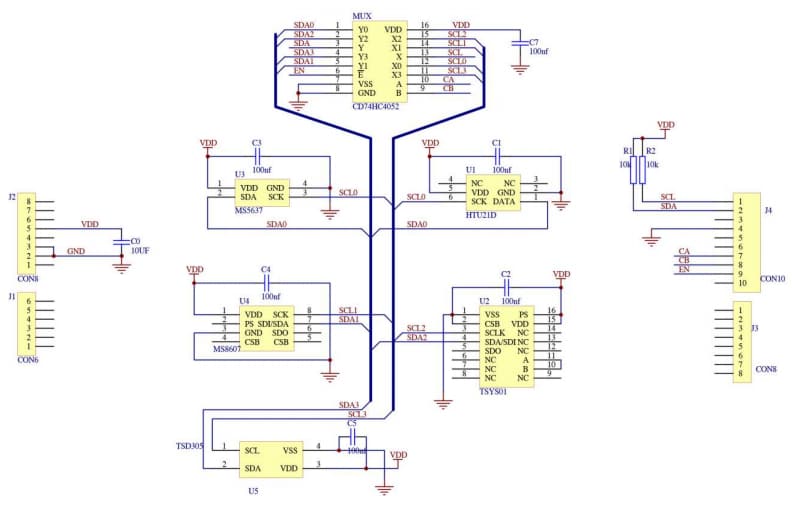
Measurement Specialties / TE Connectivity MEAS 웨더 실드는 HTU21D 디지털 상대 습도 센서, MS5637 디지털 기압 압력 센서, TSYS01 디지털 온도 센서, MS8607 디지털 상대 습도 및 디지털 압력 센서, TSD305-1C55 디지털 열전대 센서를 I2C 통신을 위해 구성 가능한 Arduino 호환 확장 포트를 사용하는 특정 시스템에 인터페이스하는 데 필요한 하드웨어를 제공합니다. 외부 장치를 납땜하는 데 사용 가능한 64개의 플러그 구멍 패드와 테스트용 마더보드 플러그가 있습니다.특징
- Provides the necessary hardware to interface sensors to any system that utilizes Arduino compatible expansion ports configurable for I2C communication
- Includes HTU21D digital relative humidity sensor, MS5637 digital barometric pressure sensor, TSYS01 digital temperature sensor, MS8607 digital relative humidity and digital pressure sensor, and TSD305-1C55 digital thermopile sensor
- 64 plug hole pads that can be used for soldering external devices, then plug on the motherboard for testing5
Schematic
게시일: 2016-08-09
| 갱신일: 2024-12-19
