TE Connectivity / Linx Technologies HumPRC™ Long-Range RF Transmitters
TE Connectivity / Linx Technologies HumPRC™ Long-Range Transmitters are low-cost and high-performance Frequency Shift Keying (FSK) radio compatible handheld transmitters with the HumPRC and HumPRO™ families. These HumPRC handheld transmitters are configured with 1 to 8 buttons, and the keypad, LED, and labeling can be customized. The long-range handheld transmitters operate at 868MHz and 900MHz frequencies and use a single 3V CR2032 lithium button cell. These HumPRC handheld transmitters offer ranges of up to 0.8miles (1,300m) possible with good antennas and a quiet line-of-sight environment. Applications include long-range remote control keyless entry, garage or gate openers, lighting control, call systems, and home or industrial automation.Features
- CE compliant (RED)
- 1 to 8 buttons
- Small package
- Customizable keypad
Applications
- Long-range remote control
- Garage/gate openers
- Keyless entry
- Lighting control
- Call systems
- Home/industrial automation
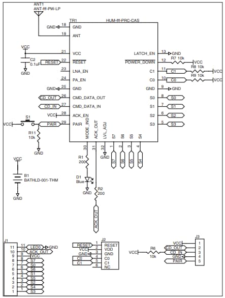
HumPRC Transmitters Schematic Diagram
게시일: 2017-10-23
| 갱신일: 2023-07-24
