TDK InvenSense ICU-30201 초음파 ToF(Time-of-Flight) 거리 센서
TDK InvenSense ICU-30201 초음파 ToF 거리 센서는 초장거리 애플리케이션을 위해 설계된 고성능 초소형 솔루션입니다. TDK InvenSense ICU-30201은 조명 조건이나 대상의 투명도에 관계없이 30cm에서 9.5m까지의 거리를 밀리미터 단위의 정확도로 측정합니다. 최대 180°의 사용자 정의 가능한 시야각을 갖춘 이 센서는 다중 물체 감지를 지원하고 초저전력 소모로 배터리 수명을 연장합니다. 이 센서는 53kHz 압전 미세 가공 초음파 트랜스듀서(PMUT)와 2세대 초저전력 시스템온칩(SoC)을 소형 리플로우 가능 패키지에 통합했습니다. 스마트 홈, 빌딩 자동화, 로보틱스 및 장애물 회피에 이상적인 ICU-30201은 다양한 환경에서 상황 인식 및 신뢰성을 향상시킵니다.특징
- 빠르고 정확한 거리 측정
- 40MHz 통합 CPU는 거리 측정, 사람 존재 여부, 웨이크온 접근 등의 온칩 알고리즘을 지원
- 30cm ~ 9.5m 작동 범위
- 최대 7m 사람 존재 여부 감지
- 장거리 또는 단거리 감지 애플리케이션에 최적화된 프로그래밍 가능 모드
- 최대 180°의 사용자 정의 가능한 시야각(FoV)
- 다중 물체 감지
- 햇볕이 강한 곳부터 완전한 어둠까지 모든 조명 조건에서 작동
- 물체 색상에 민감하지 않으며, 광학적으로 투명한 표면(유리, 투명 플라스틱 등)을 감지
- 낮은 공급 전류
- 초당 1회 측정 시 30µA(최대 9m 거리)
- 초당 11회 측정 시 243µA(최대 9m 거리)
- 간편한 통합
- 송수신용 단일 하단 포트
- 1.8V 또는 3.3V I/O 전압
- 저전력 1.8V 코어 작동 전압
- 13MHz SPI 인터페이스를 통해 최대 측정 속도로 베이스밴드 데이터 스트림 출력 가능
- 옵션 32kHz 레퍼런스 클록 입력
- 2개 센서 트리거 또는 호스트 깨우기를 위한 프로그래밍 가능 오픈 드레인 I/O
- 플랫폼 독립적인 소프트웨어 드라이버로 턴키 방식의 거리 측정 기능 제공
- 초소형 통합 패키지
- 5.17mm x 2.68mm x 0.9mm, 13핀 LGA
- 표준 SMD 리플로우 호환
- -40°C ~ +85°C 작동 온도 범위
애플리케이션
- 스마트 홈, 스마트 빌딩, 에너지 절약
- 스마트 조명
- 가전
- 실내 보안 카메라
- 재실 감지(LCD TV, 노트북)
- 스마트 스피커 및 회의실 기기
- 접근 시 자동으로 작동하는 스마트 도어락
사양
- 1.71V ~ 1.89V 아날로그/디지털 전원 공급 범위
- 1.71V ~ 3.63V I/O 전원 공급 범위
- 45kHz ~ 60kHz 작동 주파수 범위
- 최대 180° 시야각 설정 가능
- 최대 래치업 ±100mA
- 모든 핀에서 최대 연속 입력 전류 ±20mA
- 일반 소비 전류 범위 17μA ~ 395μA
- 최대 유휴 전류 18μA, 일반 9μA
- 일반 프로그래밍 시간 5ms
- <10pF 입력 정전용량
- 정전기 방전(ESD) 정격
- ±2kV 인체 모델(HBM)
- ±500V 충전 소자 모델(CDM)
- -40°C ~ +85°C 작동 온도 범위
- 최대 리플로우 솔더링 온도 +260°C
핀 아웃 및 설명
단순 블록 선도
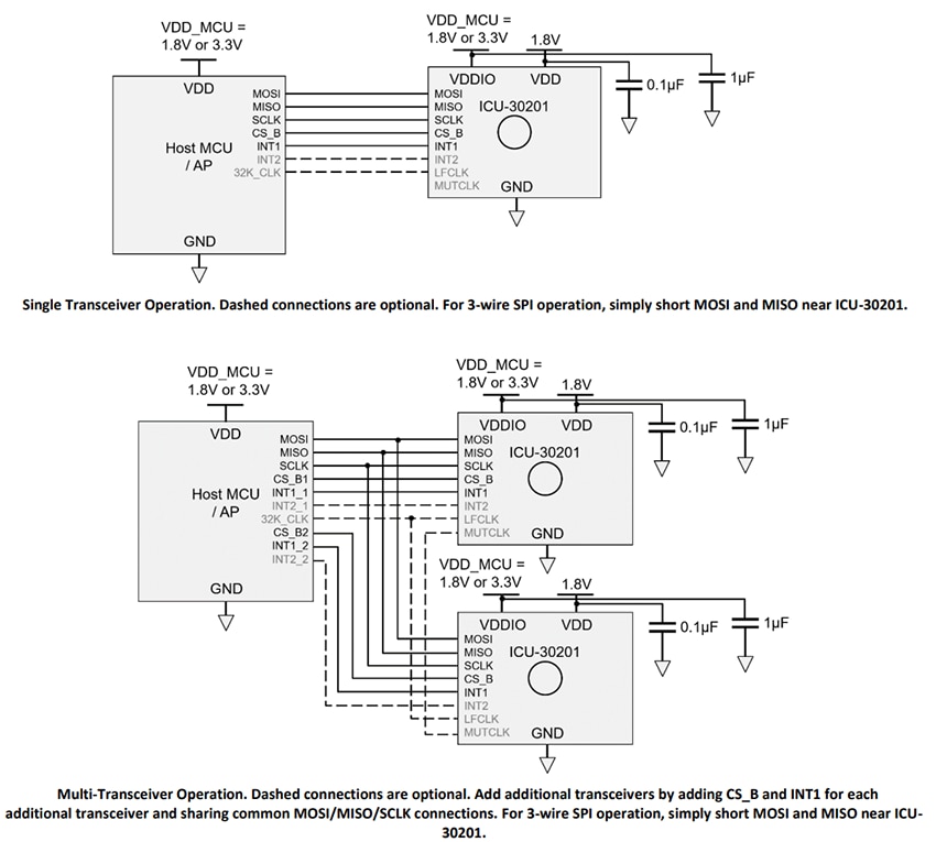
일반 작동 회로
치수
게시일: 2025-04-24
| 갱신일: 2025-05-29
