TDK FS3303 µPOL™ 벅 레귤레이터
TDK FS3303 µPOL™ 벅 레귤레이터는 사용이 간편하고, 완벽하게 통합된 고효율 마이크로 포인트 오브 로드(µPOL™) 전압 레귤레이터입니다. 온칩 PWM(펄스 폭 변조) 컨트롤러와 통합 MOSFET을 특징으로 하는 이 벅 레귤레이터는 인덕터를 통합하여 초소형 3A 동기식 벅 레귤레이터를 구현합니다. FS3303 레귤레이터는 2.75V ~ 5.5V의 입력 전압 범위와 -40°C ~ 125°C의 작동 온도 범위에서 작동합니다. 이 레귤레이터는 소프트 스타트 보호, 과전압 보호, 히컵 모드를 통한 열 보상 과전류 보호, 자동 복구 기능이 있는 열 차단 등의 보호 기능을 내장하고 있습니다. FS3303 레귤레이터는 광 네트워킹 시스템, FPGA, ASIC, SoC, 스토리지 요구 사항, 산업용 애플리케이션, 고효율 LDO 대체, 드론, 로봇, IoT 및 휴대용 장치에 이상적입니다.FS3303 µPOL 벅 레귤레이터는 로우 프로파일 패키지를 특징으로 하며, 표준 표면 실장 장비를 사용하는 자동 조립에 적합합니다. 이 벅 레귤레이터는 무연, 무할로겐 제품이며 EU 지침 REACH 및 RoHS를 준수합니다.
특징
- 출력 인덕터가 포함된 µPOL™ 패키지
- 2.5mm x 2.5mm x 1.2mm 치수의 소형 크기
- 3A 연속 부하 용량
- 외부 보상이 필요 없는 플러그 앤 플레이 방식
- 입력 전압 범위 2.75 V ~ 5.5 V
- 0.4V ~ 3.3V의 조절 가능한 출력 전압
- ±0.5% 초기 정확성
- 활성화 및 전력 양호
- 과전류 및 단락 보호
- 오픈 드레인 출력 전력 양호 표시등
- 작동 온도 범위: -40 °C~+125 °C
- 무연 및 무할로겐
- EU 지침 REACH 및 RoHS 준수
애플리케이션
- 광학 네트워킹 시스템
- FPGA, ASIC 및 SoC
- 스토리지 요구 사항
- 산업 요건
- 고효율 LDO 대체
- 드론, 로봇 및 IoT 요구 사항
- 휴대용 요구 사항
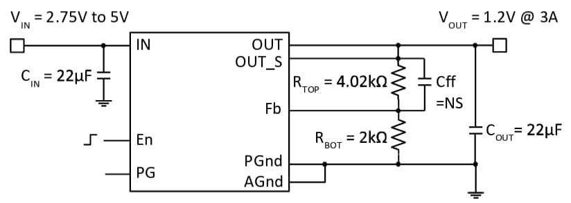
애플리케이션 회로
블록 선도
게시일: 2025-12-17
| 갱신일: 2025-12-25
