기본 제어 회로 선도
일반 컨트롤러
신호 인덕터 보기
• 최대 +145°C의 온도 범위
• 높은 Q 인자
• 높은 공진 주파수
• AEC-Q200 인증
• 무연 리플로우 땜납에 적합
전원 인덕터 보기
• 최대 +150°C
의 온도 범위
• 높은 정격 전류
• 낮은 DC 저항
• 무연 리플로우 땜납에 적합 • AEC-Q200 인증
초크 보기
• 특수 권선 기술의 높은 공진 주파수
• 웨이브 솔더링에 적합
• EN, VDE 및 UL 표준 준수
• 전력선 공통 모드
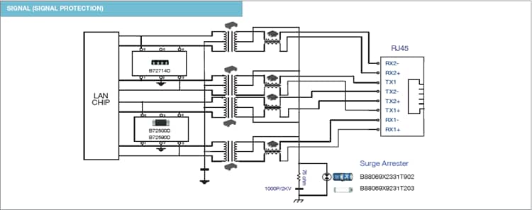
신호 보호 장치 다이어그램
신호 보호 장치
신호 인덕터 보기
• 최대 +145°C의 온도 범위
• 고Q 인자
• 높은 공진 주파수
• AEC-Q200 인증
• 무연 리플로우 땜납에 적합
공통 모드 필터 보기
• 콤팩트한 케이스에 탁월한 공통 모드 임피던스 및 잡음 억제
• 로우 프로파일 및 소형 크기
신호 변압기 보기
• LAN용으로 개발된 ALT 시리즈, 권선 칩, 펄스 변압기
• 10BASE-T, 100BASE-TX 및 1000BASE-T와 호환
• 고품질 제품, 자동 권선
보호 장치 - 바리스터 SMDEIA 0402 칩 크기
보기, SOD-723
보기 0603 칩 크기, SOD-523
• 고속 시리즈, 낮은 정전 용량
• RoHS 규격 준수
입력 보호 장치 다이어그램
보호 장치
보호 장치-배리스터 SMDEIA 1210-2220 칩크기
보기
• UL 1449에 대한 UL 승인
• 양방향 보호
• 낮은 누설 전류
• 장기 ESD 안정성
• 부하 경감 없이 고온에서 안정적인 성능 발휘
서지 피뢰기3-전극 피뢰기
보 기
DC/DC 전원장치(벅) 다이어그램
DC/DC 컨버터
신호 인덕터 보기
• 최대 +145°C의 온도 범위
• 고Q 인자
• 높은 공진 주파수
• AEC-Q200 인증
• 무연 리플로우 땜납에 적합
공통 모드 필터 보기
• 콤팩트한 케이스에서 탁월한 공통 모드 임피던스 및 잡음 억제
• 로우 프로파일 및 소형 크기
파워 인덕터 보기
• 최대 +150°C
의 온도 범위
• 높은 정격 전류
• 낮은 DC 저항
• 무연 리플로우 땜납에 적합 • AEC-Q200 인증
초크 보기
• 특수 권선 기술의 높은 공진 주파수
• 웨이브 솔더링에 적합
• EN, VDE 및 UL 표준 준수
• 전력선 공통 모드
알루미늄 전해 커패시터보기
• 고주파수에서 초저 임피던스
• 긴 사용 수명
• 높은 맥동 전류 성능

