TSB7192는 넓은 대역폭, 슬루율, 저잡음, 레일-투-레일 기능 및 정밀도를 포함한 다양한 기능을 제공합니다. 이러한 기능 덕분에 TSB7192는 필터, 전원 공급/모터 제어, 액추에이터 구동, 홀 효과 센서 및 저항성 변환 장치와 같은 다양한 애플리케이션에 유용합니다.
특징
- 레일-투-레일 입/출력
- 낮은 오프셋 전압: 최대 300μV
- 넓은 공급 전압 범위: 2.7~36V
- 이득 대역폭 곱: 22MHz
- 슬루율: 12V/µs
- 낮은 잡음: 12nV/√Hz
- +10/-9 이득에서 안정적임
- 집적 EMI 필터
- 표준 SO8 및 MiniSO8 패키지로 제공
- 2kV HBM ESD 허용 오차
- 확장 온도 범위: -40~+125°C
- 자동차 등급 제공
애플리케이션
- 하이 측/로우 측 전류 감지
- 홀 효과 센서
- 데이터 수집 및 계측
- 테스트 및 측정 장비
- 모터 제어
- 산업 공정 제어
- 스트레인 게이지
비디오
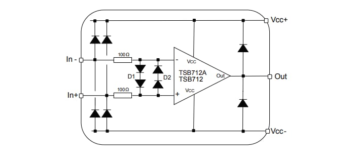
입력 전류 제한
게시일: 2019-02-14
| 갱신일: 2024-01-26

