STMicroelectronics STSPIN32F0B 첨단 단일 션트 BLDC 컨트롤러
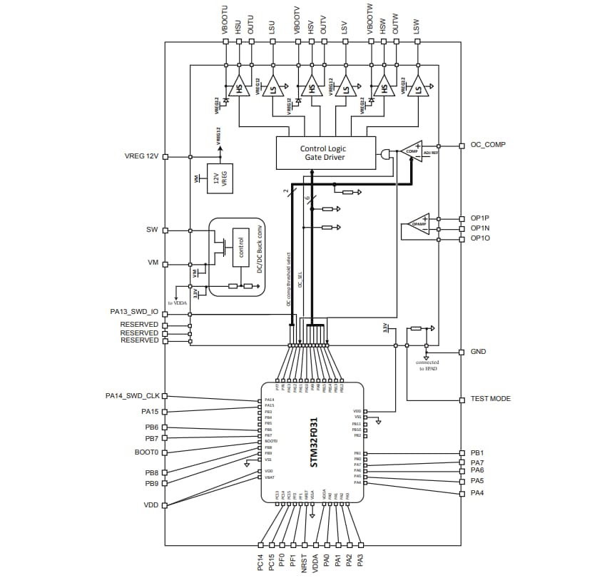
STMicroelectronics STSPIN32F0B 첨단 단일 션트 BLDC 컨트롤러는 다양한 구동 모드를 사용하여 3상 브러시리스 모터를 구동하기에 적합한 통합 솔루션을 제공하는 SIP(시스템 인 패키지)입니다. STSPIN32F0B 컨트롤러에는 600mA의 전류 공급 능력(싱크 및 소스)으로 전력 MOSFET을 구동할 수 있는 트리플 하프 브리지 게이트 드라이버가 내장되어 있습니다. 통합된 인터록 기능은 동일한 하프 브리지의 하이 및 로우 측 스위치가 동시에 구동되지 못하게 막습니다.이 장치는 MCU와 외부 구성 요소에 모두 전력을 공급하기에 적합한 3.3V 전압을 제공하는 내부 DC/DC 벅 변환기를 제공합니다. 추가로, 내부 LDO 선형 레귤레이터는 게이트 드라이버용 공급 전압을 제공합니다. 통합형 연산 증폭기는 신호 조절에 사용 가능하므로, 션트 저항기의 전류가 감지됩니다. STSPIN32F0B에는 과전류 보호 기능이 있는데, 임계값을 프로그래밍할 수 있는 비교기로 수행됩니다.
확장된 온도 범위를 가진 통합형 MCU STM32F031C6을 사용하여 자속 기준 제어, 6단 센서리스 및 기타 고급 구동 알고리즘을 수행할 수 있습니다. 이 MCU는 임베디드 플래시 메모리용 읽기/쓰기 보호 기능도 제공하여 불필요한 쓰기 및/또는 읽기가 수행되지 않도록 합니다. 임베디드 부트로더는 직렬 인터페이스를 통해 현장에서 펌웨어를 다운로드할 수 있게 해줍니다. STSPIN32F0B의 추가적인 기능으로는 과열 및 부족 전압 록아웃 보호 기능과 소비전력 절감을 위한 대기 모드가 포함됩니다.
이 장치에는 5V를 허용할 수 있는 GPIO(범용 I/O) 포트 20개와 싱글 샷 또는 스캔 모드에서 변환을 수행하는 최대 9개의 채널이 있는 12비트 아날로그-디지털 컨버터가 1개 내장되어 있습니다. 또한 STSPIN32F0B는 동기화 가능 범용 타이머 5개를 구현하고 사용하기 쉬운 디버깅 직렬 인터페이스(SWD)를 지원합니다.
특징
- 확장된 작동 전압: 6.7~45V
- 3상 게이트 드라이버
- 600mA 싱크/소스
- 통합형 부트스트랩 다이오드
- 교차 전도 방지
- 32비트 ARM® Cortex®-M0 코어:
- 최대 48MHz 클록 주파수
- 4kB SRAM(HW 패리티 포함)
- 32kB 플래시 메모리(쓰기/읽기 방지용으로 사용되는 옵션 바이트 포함)
- 부트로더 FW 사용 가능
- 3.3V DC/DC 벅 컨버터 레귤레이터(과전류, 단락 및 과열 보호 기능 포함)
- 12V LDO 선형 레귤레이터(과열 보호 기능 포함)
- GPIO(범용 I/O) 포트 20개
- 범용 타이머 5개
- 12비트 ADC 컨버터(최대 9개 채널)
- I2C, USART 및 SPI 인터페이스
- 신호 조절을 위한 레일-레일 연산 증폭기 1개
- 임계값을 프로그래밍할 수 있는 과전류 보호용 비교기
- 낮은 소비전력을 위한 대기 모드
- 각 전원 공급 장치에 대한 UVLO 보호:
- VM, VDD, VREG, VBOOTx
- SWD를 통한 온칩 디버그 지원
- 확장 온도 범위: -40~+125°C
애플리케이션
- 전동 공구
- 팬 및 펌프
- 산업 자동화
- 배터리 전원 공급식 가전제품
비디오
아날로그 IC 블록 선도
시스템 인 패키지 블록 선도
게시일: 2019-03-27
| 갱신일: 2024-02-12
