STMicroelectronics STPM098C 이중 디지털 8상 컨트롤러
STMicroelectronics STPM098C 이중 디지털 8상 컨트롤러는 자동차 애플리케이션용 NVM(비휘발성 메모리) 및 PmBus™ 인터페이스가 내장된 이중 루프 디지털 다중 위상 벅 컨트롤러입니다. STPM098C는 프로세서 코어 및 메모리와 같이 고전력이 필요한 로드 장치의 전력을 관리하는 데 사용됩니다. 이 장치는 최대 8개의 외부 드라이버 + MOS를 제어하고 두 개의 루프를 사용하여 최대 2개의 서로 다른 전압을 공급할 수 있습니다. COT(constant On-Time) 방식을 기반으로 하는 고급 제어 루프 아키텍처는 빠른 과도 응답과 높은 효율을 제공합니다. 이 장치에는 경부하 범위에 대한 효율 향상을 위한 위상 인터리빙 및 동적 위상 추가/드롭도 포함되어 있습니다.STMicroelectronics STPM098C는 전압, 전류, 전력, 온도 및 결함 신호의 원격 측정을 보고하기 위해 8가지 가능한 인터페이스 어드레스 값으로 ver.1.2 규격 준수 PMBus 통신을 지원합니다. 프로그래밍 가능 매개변수는 PmBus 인터페이스를 통해 구성하고 온칩 NVM에 저장하여 외부 구성요소를 최소화할 수 있습니다. STPM098C은 또한 출력 전압에서 독립적인 부족/과전압(UV/OV), 루프 피드백 분리, 위상 전류 비밸 런 싱 및 포지티브 및 네거티브 위상 전류 모두를 위한 이중 임계 값 과전류를 포함한 광범위한 모니터링 장치 시스템 및 결함 보호 기능을 제공합니다.
특징
- 보호 및 진단:
- PmBus™ 판독 가능 입력 원격 측정(전압, 전류, 전력)
- 입력 측 정지표에서 PmBus 구성 가능 과전류, 부족 전압 및과 전력 진단 및 보호
- 각 루프에 대한 PmBus 판독 가능 출력 원격 측정(전압, 전류, 온도)
- 각 루프에 대한 출력 측 정지표에 대한 PmBus 구성 가능 부족/과전류, 부족/과전압 진단 및 보호
- 각 루프에 대한 출력단에서 PmBus 구성 가능한 과열 경고 및 과열 차단 진단 및 보호
- PmBus 판독 가능 단상 전류 원격 측정
- PmBus 구성 가능 단상 과전류 진단 및 보호
- PmBus 구성 가능 범용 UV/OV 진단 철저한 핀 AUX _ SENSE
- 피드백 루프 분리 진단
- 내부 과열 진단 및 보호
- PmBus 판독 가능 Tj 측정
- 접지 손실 진단
- 시스템 클록 모니터링
- 전원 공급 핀 VCC, VREF1, VREF2 과전압 및 부족 전압 진단
- SM_ALERT, FAULT, VRRDY1 및 VRRDY2 핀을 통한 결함 상태 플래그 출력
- AEC-Q100 인증
- 두 루프 사이의 위상 할당: 8+0~4+4
- 출력 전압 범위: 0.5 V~2 V
- 4.75 V~5.25 V 작동 전압 범위
- 스위칭 주파수 범위: 200 kHz~1.5 MHz
- 경부하 및 매우 가벼운 부하를 위한 액티브 다이오드 에뮬레이션을 위한 프로그래밍 가능 동적 위상 차단 작동
- 고성능 디지털 제어 루프
- 40MHz에서 임베디드 CPU ARM Cortex™ M0 +
- 임베디드 NVM
- PmBus™ rev 1.2(최대 주파수 400 kHz)
- 작동 온도 범위: -40 °C~++125 °C
- 접합부 온도 범위: -40°C~+150°C
- 완전한 ISO26262 규격 준수, ASIL-D 시스템 지원
- 7.0mm x 7.0mm x 0.9mm, VFQFN 48 + 4L 패키지
애플리케이션
- ADAS 시스템
- 고전력 마이크로프로세서
- DDR 메모리
단순 블록 선도
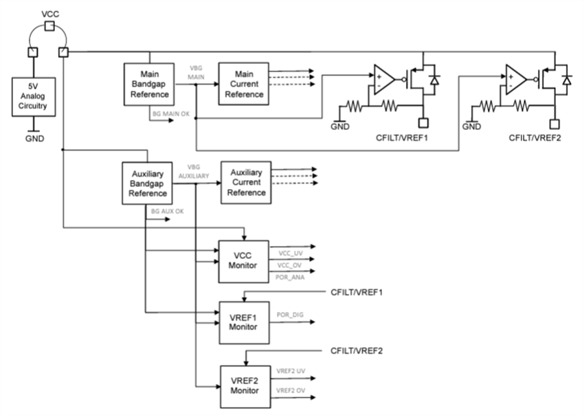
내부 전원 공급 장치 단순 블록 선도
VCC 전원 공급은 STPM098C의 주전원 입력입니다. VCC 레일은 후속 내부 목적 회로(즉, 밴드 갭, 모니터링 장치 및 내부 레귤레이터 제어 루프)를 공급하여 파워 업 및 파워다운 시퀀스를 시작합니다. VCC 핀에서 시작하는 기준 구조는 일반적인 원인 장애(주요 1 및 보조 1)를 피하기 위해 두 개의 독립적인 인스턴스로 복제됩니다.
VREF1 레귤레이터 간략 블록 선도
STPM098C의 디지털 코어용 내부 전원 레일은 PMOS 출력단과 VCC 핀이 공급하는 외부 탱크 정전 용량이 있는 전류제한 LDO 레귤레이터에 의해 생성됩니다. 또한 VREF1 레귤레이터는 최대 8개의 외부 DrMOS 전류 측정 아날로그 출력을 위한 기준 전압으로 설계되었습니다.
VREF2 레귤레이터 간략 블록 선도
PWM 출력 버퍼용 내부 전원 레일은 PMOS 출력단과 VCC 핀이 공급하는 외부 탱크 정전 용량이 있는 전류제한 LDO 레귤레이터에 의해 생성됩니다. VREF2 레귤레이터는 PmBus 핀 SM_데이터, SM_CLK 및 SM_ALERT의 외부 풀업 저항(4.7kΩ)을 위한 공급 전압으로 설계되었습니다.
