STDRIVE102BH/H에는 보호 기능이 내장되어 있어 전반적인 애플리케이션의 견고성을 높여줍니다. 이러한 보호 기능에는 각 전원(VCC, VDD 및 충전 펌프 전압)에 대한 저전압 차단(UVLO), 열 차단, 하이 사이드 및 로우 사이드 MOSFET에 대한 VDS 모니터링이 포함됩니다. 보호가 트리거되면 nFAULT 오픈 드레인 핀이 이벤트에 신호를 보냅니다. STMicro STDRIVE102BH에는 또 다른 전용 오픈 드레인 핀(FLAG)이 있어, 게이트 드라이버 공급 VCC가 가드 한계 미만으로 떨어지는 지 보여줄 수 있습니다. 이 장치는 고장 검출 이벤트와 실제 출력 스위치 오프 사이의 전파 지연 시간을 최소화하여 고장 발생 시 게이트 드라이버의 출력을 즉시 차단할 수 있는 스마트 셧다운 작동을 통합합니다.
주전원 공급 핀(VS) 외에도 STDRIVE102BH/H에는 하이 사이드 N채널 MOSFET의 드레인과 대응하여 모터 공급 전압에 연결해야 하는 전용 핀 VM이 있습니다. VM 핀은 통합 VDS 모니터링 및 충전 펌프의 기준 전압으로 활용됩니다. VS 및 VM 핀은 장치의 유연성을 높이기 위해 서로 다른 전압에서 작동할 수 있습니다.
특징
- 작동 전압 6V~50V
- 다음의 프로그래밍 가능한 최대 전류 성능을 갖춘 게이트 드라이버:
- 1 A 소스 전류
- 2 A 싱크 전류
- 언더그라운드 및 오버슈트에 대한 높은 견고성
- 전용 저전압 차단 보호 기능을 갖춘 100% 듀티 사이클 작동용 충전 펌프
- 유연한 전원 관리:
- 전용 저전압 차단 보호 기능이 있는 12V LDO 선형 레귤레이터
- 전용 저전압 차단 보호 기능이 있는 3.3V LDO 선형 레귤레이터
- 50nA 미만의 낮은 소비전력을 위한 대기 모드
- 과열 차단 보호
- 전력 MOSFET의 안전한 구동 작동을 위한 VDS 모니터링
- 유연한 아날로그 프런트엔드:
- 최대 3개의 광대역 연산 증폭기
- 최대 3개의 고속 비교기
- 이중 제어 모드:
- ENx/INx
- INHx/INLX(인터로킹 기능 포함)
- 모든 채널에 대해 일치하는 전파 지연 시간
- 최대 5V까지의 논리 입력, TTL 호환
애플리케이션
- 배터리로 구동되는 전동 공구
- 휴대용 진공 청소기
- 전동 자전거
- 산업 자동화
- 로봇 공학
- 펌프 및 팬
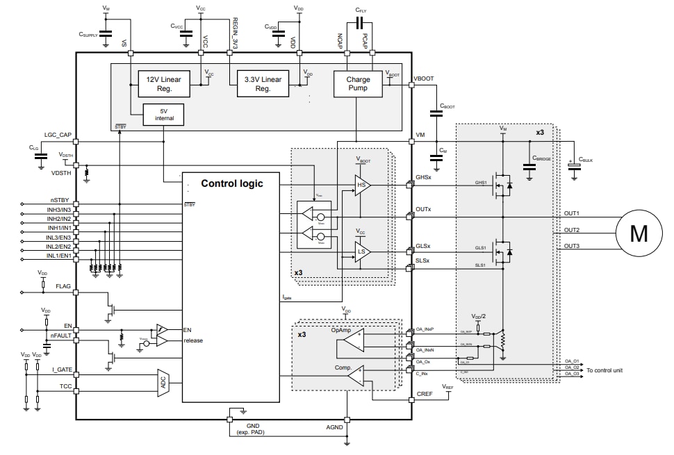
STDRIVE102BH 블록 선도
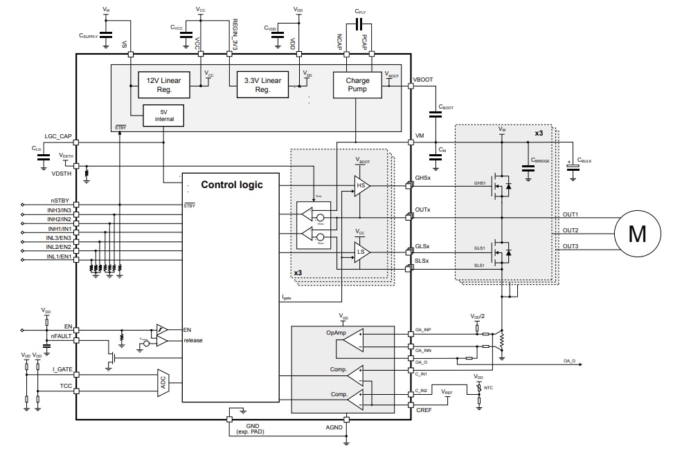
STDRIVE102H 블록 선도
비디오
게시일: 2025-04-17
| 갱신일: 2025-08-27

