STMicroelectronics L99H92 자동차 하프 브리지 프리드라이버
STMicroelectronics L99H92 자동차 하프 브리지 프리드라이버는 자동차 애플리케이션에서 DC 모터 제어를 위한 단일 하프 브리지 또는 이중 독립 하프 브리지 구성에서 4개의 외부 N-채널 MOSFET 트랜지스터를 구동합니다. 2개의 무료 구성 가능 전류 감지 증폭기도 통합되어 있습니다. 저전력 모드(대기 모드)에서 소비 전류는 5µA 미만입니다. 프로그래밍 가능 게이트 구동 전류를 통해 EMI를 최소화할 수 있습니다. 각 게이트 드라이버는 결함 상태에 대해 외부 MOSFET 드레인 소스 전압을 (독립적으로) 모니터링합니다. 프로그래밍 가능 교차 전류 보호 시간은 각 하프 브리지에 대한 하이 측 및 로우 측 활성화 동시성을 방지합니다.STMicroelectronics L99H92에는 잠재적인 접지 단락, 배터리 단락 또는 개방 부하 조건을 감지하는 2개의 오프 상태 진단 비교기가 있습니다. 통합 표준 SPI(직렬 주변기기 인터페이스)는 장치를 제어하고 진단 정보를 제공합니다. 추가적인 다이어그램 출력핀은 SPI 통신보다 장치에서 발생하는 오류의 마이크로컨트롤러에 경고합니다. L99H92 장치는 공급 전압 모니터링, 충전 펌프 전압 모니터링, 과전류 보호, 온도 경고 및 과열 차단과 같은 진단 및 보호 기능을 구현합니다. 이 장치는 TQFP32 및 QFN32 패키지(모두 노출 패드 포함)로 호스팅 됩니다. QFN32에는 솔더 조인트를 쉽게 육안으로 검사할 수 있는 습식 플랭크가 있습니다.
특징
- AEC-Q100 인증
- 4.51~28V 전원 공급 작동 범위(5.41V에서 작동하는 게이트 드라이버)
- 3.3V/5V 호환 I/O
- 마이크로컨트롤러, 페일 세이프 입력 및 VDD에 연결된 모든 핀은 배터리 노출에 견딜 수 있도록 제작됨
- 표준 레벨 임계값 nMOSFET과 호환되는 듀얼 하프 브리지 드라이버
- 풀 브리지 또는 이중 독립 하프 브리지 제어, 풀 브리지 제어의 경우 프로그래밍 가능 재순환 경로
- 5.41V 배터리 전압까지 100% PWM 듀티 사이클을 지원하는 듀얼 스테이지 충전 펌프
- 하이 사이드 및 로우 사이드 최소 VGS= 6.2V(VDH=5.5V)와 5mA에 상응하는 충전 펌프 부하 전류(ICPLOAD)
- 하이 사이드 및 로우 사이드 최소 VGS= 8.2V(VDH≥8V)와 10mA에 상응하는 충전 펌프 부하 전류(ICPLOAD)
- 외부 역 배터리를 구동하기 위해 사용 가능한 충전 펌프 출력, NMOSFET 보호
- 출력 전압 슬루율 제어를 위한 프로그래밍 가능 게이트 구동 전류(최대 170mA)
- 과전류 보호 및 프로그래밍 가능 교차 전류 보호 시간(데드 타임)을 위한 프로그래밍 가능 드레인 소스 모니터링
- 오프 상태 진단 모드에서 개방 부하 및 출력 단락 감지
- 제어 및 진단을 위한 SPI(ST SPI 4.1)
- 프로그래밍 가능 진단 출력
- 독립적인 전류 감지 증폭기 2개
- 극히 낮은 열 드리프트로 낮은 오프셋
- 하이 측, 인라인 및 로우 측 전류 감지에 적합
- 독립적으로 프로그래밍 가능한 이득(10개, 20개, 50개, 100개)
- VDD/2 또는 VDD/22를 중심으로 하는 아날로그 출력
- 과열 사전 경고 및 차단
- 아날로그 및 디지털 전원 공급 입력 과전압/저전압 보호
- 모든 MOSFET을 끄기 위한 비동기식 및 로직 독립 페일 세이프 입력
- 낮은 대기 전류
- 최대 ASIL B의 임의 HW 결함 지원
- QFN32(습식 플랭크 포함) 또는 TQFP32(7mm x 7mm) 패키지 옵션
- RoHS 규격 준수 장치
애플리케이션
- 선루프
- 파워 트렁크 리프트게이트
- 슬라이딩 도어
- 윈도우 리프트, 안전벨트 프리텐셔너등
블록 선도
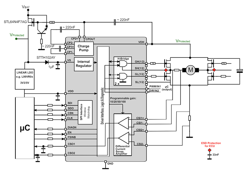
애플리케이션 계통도
게시일: 2024-05-02
| 갱신일: 2024-05-14
